Добро пожаловать: гость! Вход | Регистрация Текущее время: Сб апр 18, 2026 8:24 pm

D24 дизель. Все вопросы

ДВС, системы подачи топлива, зажигания, смазки, охлаждения и т.пр.

Модераторы: Viking, DrEvil

Re: вопросы по мотору вольво 240 2.4 дизель

Сообщение nikolajs » Пн фев 15, 2010 1:17 pm

В принципе, если оно живое... авто это... Главное, чтоб сам шкив был целый... т.к. шпонка стальная, да еще и каленая (наверняка), то как раз шкив страдат больше всего, плюс на коленвалу ж тоже есть выборка под шпонку (не забывайте об этом)... итак... сколько будет стоить ремонт коленвала + шкива + шпонка новая + разборка - сборка??? а это уже вопрос! И опять же... с какой периодичностью шкив нужно подтягивать? И на 2-ке это не удобно, т.у. все плотненько там!
Аватара пользователя
nikolajs
VIP
VIP
 
Сообщения: 4534
Зарегистрирован: Чт янв 01, 1970 3:00 am
Откуда: Харьков
Автомобиль: SPECIALIZED HARDROCK
Клубная карта №: 0

Re: вопросы по мотору вольво 240 2.4 дизель

Сообщение ARTYHA » Пн фев 15, 2010 3:32 pm

продам коленвал со шпонкой и шкивом если нада.
09776ноль9029 093534один400 Артёмка. Занимаюсь системами безопасности, а так же ремонтом автоэлектрики, электроники: Блоки АБС, Приборные панели, климат-контроли, приборы управления и прочая электронная дребидень. шумоизоляция, автозвук. установка ГБО.
Аватара пользователя
ARTYHA
VIP
VIP
 
Сообщения: 3560
Зарегистрирован: Пн мар 23, 2009 12:42 am
Откуда: Киев
Автомобиль: 850Т5
Клубная карта №: 16

Re: вопросы по мотору вольво 240 2.4 дизель

Сообщение nikolajs » Пн фев 15, 2010 3:49 pm

:-D барига....
Аватара пользователя
nikolajs
VIP
VIP
 
Сообщения: 4534
Зарегистрирован: Чт янв 01, 1970 3:00 am
Откуда: Харьков
Автомобиль: SPECIALIZED HARDROCK
Клубная карта №: 0

Re: вопросы по мотору вольво 240 2.4 дизель

Сообщение ARTYHA » Пн фев 15, 2010 5:42 pm

та хтоб говорил!
так. не оффтопим!
я просто хочу помоч одноклубнику решившему себя обременить проблемами с коленвалом!)
09776ноль9029 093534один400 Артёмка. Занимаюсь системами безопасности, а так же ремонтом автоэлектрики, электроники: Блоки АБС, Приборные панели, климат-контроли, приборы управления и прочая электронная дребидень. шумоизоляция, автозвук. установка ГБО.
Аватара пользователя
ARTYHA
VIP
VIP
 
Сообщения: 3560
Зарегистрирован: Пн мар 23, 2009 12:42 am
Откуда: Киев
Автомобиль: 850Т5
Клубная карта №: 16

Re: вопросы по мотору вольво 240 2.4 дизель

Сообщение ivan@m » Пн фев 15, 2010 6:13 pm

не ребята меня в такое не заманишь. если нада снимать вал то сразу в топку. :buba:
Аватара пользователя
ivan@m
VIP
VIP
 
Сообщения: 7036
Зарегистрирован: Ср фев 25, 2009 12:49 am
Откуда: Днепропетровск
Автомобиль: LancerX/ Colt
Клубная карта №: 64

Re: вопросы по мотору вольво 240 2.4 дизель

Сообщение nikolajs » Вт фев 16, 2010 12:09 pm

Грешен, каюсь :? Вот и я о том... ремонт любого характера дорог, а такого так вообще. Я после своего случая, вообще дизеля немного опасаюсь, но 244-ю... взял, уж больно она мне приглянулась.
А по поводу замены ремня ГРМ, без 0,5 не разобраться... видать придется оращаться на СТО. Ну его, дело стремное.
А сколько масла туда нужно, а то менять нужно... и что же все таки туда заливать?
Аватара пользователя
nikolajs
VIP
VIP
 
Сообщения: 4534
Зарегистрирован: Чт янв 01, 1970 3:00 am
Откуда: Харьков
Автомобиль: SPECIALIZED HARDROCK
Клубная карта №: 0

Re: вопросы по мотору вольво 240 2.4 дизель

Сообщение leo_run » Вт фев 16, 2010 12:40 pm

КОЛЯ , а с твоим то что?
Аватара пользователя
leo_run
VIP
VIP
 
Сообщения: 3983
Зарегистрирован: Чт янв 01, 1970 3:00 am
Откуда: Ukrain,USA, Chech republic.
Автомобиль: 242GT
Клубная карта №: 10

Re: вопросы по мотору вольво 240 2.4 дизель

Сообщение nikolajs » Вт фев 16, 2010 5:17 pm

На 244-ой? Да ниче вроди бы... Нужно заменить прокладку крышки клапанов, прокладку поддона картера, вот свечку одну осталось заменить... ремень ГРМ, масло и фильтр масляный. У меня ж еще такой прикол - вместо родного топливного фильтра, стоит с москаля алюминиевая колба и тудой вставляется фильтр аж за 5 гривен, но дело в том, что сей девайс практически невозможно прокачать ручным насосом, т.к. он тоже не родной... я матюкался так... пока заменил фильтр. Там же нужно вставить сам элемент новый, налить туда пол литра солярки, а потом в позе "ЗЮ", пытаться эту колбу поставить обратно, при этом не расплескать солярку, которая все время льется через дырку, шо внизу колбы. Короче весело мне было... солярка и в рукавах была... как говориться "по усам текло, а в рот не попало" :)
Так что господа, если у кого есть родной ручной насос с местом под крепление родного фильтра, забарыжничайте его мне!
Я и фотку прилагаю, только тут самого ручного насоса не вижу... А свой девайс выложу как нибудь.
Вложения
насос.PNG
Нада такое
Аватара пользователя
nikolajs
VIP
VIP
 
Сообщения: 4534
Зарегистрирован: Чт янв 01, 1970 3:00 am
Откуда: Харьков
Автомобиль: SPECIALIZED HARDROCK
Клубная карта №: 0

Re: вопросы по мотору вольво 240 2.4 дизель

Сообщение leo_run » Вт фев 16, 2010 8:44 pm

так что тебе надо?? какой насос?? его там с роду нету ручного!!!

есть фильтр, и та штука куда он вкручивается...
Аватара пользователя
leo_run
VIP
VIP
 
Сообщения: 3983
Зарегистрирован: Чт янв 01, 1970 3:00 am
Откуда: Ukrain,USA, Chech republic.
Автомобиль: 242GT
Клубная карта №: 10

Re: вопросы по мотору вольво 240 2.4 дизель

Сообщение romik » Вт фев 16, 2010 9:29 pm

leo_run писал(а):так что тебе надо?? какой насос?? его там с роду нету ручного!!!

есть фильтр, и та штука куда он вкручивается...

+ручных насосов на lt-шных движках и небыло никогда,тнвд сам себя закачивает и довольно таки быстро и неплохо.А вооще желательно не допускать завоздушивания системы,так как в первую очередь идёт износ плунжерной пары при работе её всухую.Я себе оставил штатный подкачивающий насос с инжекторной бензинки и кнопочку вывел под капотом,на всякий случай :cars:
подбор и продажа запчастей и расходных материалов на автомобили импортного и отечественого производства ноль 99 ноль 8 ноль ноль 678
Аватара пользователя
romik
VIP
VIP
 
Сообщения: 199
Зарегистрирован: Сб фев 14, 2009 6:41 pm
Откуда: запорожье
Автомобиль: volvo 265
Клубная карта №: 46

Re: вопросы по мотору вольво 240 2.4 дизель

Сообщение ARTYHA » Вт фев 16, 2010 10:53 pm

штатное крепление фильтра без всякого насоса могу предоставить без проблем. имеется такая вещица. цены если чесна не сложу... нада подумать.
вещица точно такая же как на твоем рисунке.
09776ноль9029 093534один400 Артёмка. Занимаюсь системами безопасности, а так же ремонтом автоэлектрики, электроники: Блоки АБС, Приборные панели, климат-контроли, приборы управления и прочая электронная дребидень. шумоизоляция, автозвук. установка ГБО.
Аватара пользователя
ARTYHA
VIP
VIP
 
Сообщения: 3560
Зарегистрирован: Пн мар 23, 2009 12:42 am
Откуда: Киев
Автомобиль: 850Т5
Клубная карта №: 16

Re: вопросы по мотору вольво 240 2.4 дизель

Сообщение nikolajs » Ср фев 17, 2010 8:17 am

О! Это уже хорошо! А по поводу насоса... если память не изменяет, или это на 3-ке было...??? :? Вот вы мне щас сказали, а я растерялся. На 7-ке дизельной помню, когда менял фильтр, пришлось его снимать заново и заливать в него солярку - это точно помню. А вот ручной насос, типа с гучкой такой, да еще и с большим ходом этой ручки, точно где то стоял. Может и на D16 на 3-ке. Надо освежить в памяти... фотки глянуть. А цену на девайс, сложите, договоримся... хотя бы потому, что родной удобней при замене фильтра.
Аватара пользователя
nikolajs
VIP
VIP
 
Сообщения: 4534
Зарегистрирован: Чт янв 01, 1970 3:00 am
Откуда: Харьков
Автомобиль: SPECIALIZED HARDROCK
Клубная карта №: 0

Re: вопросы по мотору вольво 240 2.4 дизель

Сообщение Stas340 » Ср фев 17, 2010 8:29 am

На D16-м подкачивающий насос стоит на фильтре в виде большой кнопки.
Поменяю седан 244 на сарайку 245
Аватара пользователя
Stas340
VIP
VIP
 
Сообщения: 4868
Зарегистрирован: Ср мар 25, 2009 9:51 am
Откуда: г. Артемовск Донецкой обл. - г.Барвенково Харьковской обл.
Автомобиль: 244
Клубная карта №: 0

Re: вопросы по мотору вольво 240 2.4 дизель

Сообщение ARTYHA » Ср фев 17, 2010 8:34 am

вот вот! а на 7ках такого девайса нима!
09776ноль9029 093534один400 Артёмка. Занимаюсь системами безопасности, а так же ремонтом автоэлектрики, электроники: Блоки АБС, Приборные панели, климат-контроли, приборы управления и прочая электронная дребидень. шумоизоляция, автозвук. установка ГБО.
Аватара пользователя
ARTYHA
VIP
VIP
 
Сообщения: 3560
Зарегистрирован: Пн мар 23, 2009 12:42 am
Откуда: Киев
Автомобиль: 850Т5
Клубная карта №: 16

Re: вопросы по мотору вольво 240 2.4 дизель

Сообщение nikolajs » Ср фев 17, 2010 8:54 am

Вот с 3-ки ...
Вложения
насос 340.JPG
Аватара пользователя
nikolajs
VIP
VIP
 
Сообщения: 4534
Зарегистрирован: Чт янв 01, 1970 3:00 am
Откуда: Харьков
Автомобиль: SPECIALIZED HARDROCK
Клубная карта №: 0

Re: вопросы по мотору вольво 240 2.4 дизель

Сообщение nikolajs » Ср фев 17, 2010 8:55 am

А на 7-ке у меня может самопал стоял какой нить :? но помниться, что что-то, где то было...
Аватара пользователя
nikolajs
VIP
VIP
 
Сообщения: 4534
Зарегистрирован: Чт янв 01, 1970 3:00 am
Откуда: Харьков
Автомобиль: SPECIALIZED HARDROCK
Клубная карта №: 0

Re: вопросы по мотору вольво 240 2.4 дизель

Сообщение ARTYHA » Ср фев 17, 2010 10:51 pm

вобщем крепление насоса которое состоит с двух частей со штуцерами могу предложить за 100грн
09776ноль9029 093534один400 Артёмка. Занимаюсь системами безопасности, а так же ремонтом автоэлектрики, электроники: Блоки АБС, Приборные панели, климат-контроли, приборы управления и прочая электронная дребидень. шумоизоляция, автозвук. установка ГБО.
Аватара пользователя
ARTYHA
VIP
VIP
 
Сообщения: 3560
Зарегистрирован: Пн мар 23, 2009 12:42 am
Откуда: Киев
Автомобиль: 850Т5
Клубная карта №: 16

Re: вопросы по мотору вольво 240 2.4 дизель

Сообщение nikolajs » Чт фев 18, 2010 8:09 am

А можешь скинуть фотки этого девайса? Просто интересно как его крепить. И еще вопрос - на 240-ой с дизелем, место крепления фильтра там же где и у 740-ой? Для сравнения, у меня он возле моторчика очистителей стекл, притулен...
Вложения
IMG_3719м.JPG
Чудо Совавтопрома
Аватара пользователя
nikolajs
VIP
VIP
 
Сообщения: 4534
Зарегистрирован: Чт янв 01, 1970 3:00 am
Откуда: Харьков
Автомобиль: SPECIALIZED HARDROCK
Клубная карта №: 0

Re: вопросы по мотору вольво 240 2.4 дизель

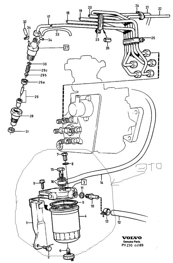
Сообщение leo_run » Чт фев 18, 2010 10:32 am

ты ж видел картинку выше!!!! тема тебе обвел сам фильтр, он стоит под ТНВД
Аватара пользователя
leo_run
VIP
VIP
 
Сообщения: 3983
Зарегистрирован: Чт янв 01, 1970 3:00 am
Откуда: Ukrain,USA, Chech republic.
Автомобиль: 242GT
Клубная карта №: 10

Re: вопросы по мотору вольво 240 2.4 дизель

Сообщение ARTYHA » Чт фев 18, 2010 1:45 pm

сфоткаю.... сегодня вечером заберусь в подвал и сфоткаю) а стоит он точно как на рисунке, под тнвд. там есть отверстия в блоке для крепления.
09776ноль9029 093534один400 Артёмка. Занимаюсь системами безопасности, а так же ремонтом автоэлектрики, электроники: Блоки АБС, Приборные панели, климат-контроли, приборы управления и прочая электронная дребидень. шумоизоляция, автозвук. установка ГБО.
Аватара пользователя
ARTYHA
VIP
VIP
 
Сообщения: 3560
Зарегистрирован: Пн мар 23, 2009 12:42 am
Откуда: Киев
Автомобиль: 850Т5
Клубная карта №: 16

Re: вопросы по мотору вольво 240 2.4 дизель

Сообщение nikolajs » Чт фев 18, 2010 2:50 pm

На той картинке непонятно как он стоит, где и вообще как крепиться к двиглу. А вот если приложите фото самого девайса и фото места, где он стоит, буду благодарен. Это все для ставнения, чтоб увидеть отличается мой двиг чем нибудь или нет! Мало ли, год то 82-ой, а у вас свежее...
Аватара пользователя
nikolajs
VIP
VIP
 
Сообщения: 4534
Зарегистрирован: Чт янв 01, 1970 3:00 am
Откуда: Харьков
Автомобиль: SPECIALIZED HARDROCK
Клубная карта №: 0

Re: вопросы по мотору вольво 240 2.4 дизель

Сообщение leo_run » Чт фев 18, 2010 10:51 pm

КОЛЯ стоит он сразу под ТНВД! снизу!! крепление двух болтах точках
Аватара пользователя
leo_run
VIP
VIP
 
Сообщения: 3983
Зарегистрирован: Чт янв 01, 1970 3:00 am
Откуда: Ukrain,USA, Chech republic.
Автомобиль: 242GT
Клубная карта №: 10

Re: вопросы по мотору вольво 240 2.4 дизель

Сообщение Stas340 » Пт фев 19, 2010 10:51 am

У меня вопрос ко всем дизелистам: интересует вредно ли дизельному мотору длительная работа на холостом ходу. Слышал когда-то что дизель вообще не любит малых оборотов.
Поменяю седан 244 на сарайку 245
Аватара пользователя
Stas340
VIP
VIP
 
Сообщения: 4868
Зарегистрирован: Ср мар 25, 2009 9:51 am
Откуда: г. Артемовск Донецкой обл. - г.Барвенково Харьковской обл.
Автомобиль: 244
Клубная карта №: 0

Re: вопросы по мотору вольво 240 2.4 дизель

Сообщение nikolajs » Пт фев 19, 2010 12:08 pm

Как тебе сказать, в принципе длительная работа на холостых оборотах для любого мотора губительна, т.к. масло поступает в недостатке и быстрее изнашиваются детали. Мой отец работал в воинской части, где ремонтировали дизель-генераторы для (тогда еще) Советской армии, так вот он говорил, что в регламенте было написано "типа... рабочая темперетура не менее 80 градусов и нагрузка не менее 50% от номинала..." как бы перегреть его сложно, если система охлаждения нормальная. Ну еще смотря что ты подразумеваешь под "длительной работой" на холостых. У меня на Фиесте (бывшей) в паспорте написано типа "... повышается износ при работе на холостых более 30 мин", думаю даже в морозы хватет времени, чтоб прогреть мотор.
А чего спросил то?
Аватара пользователя
nikolajs
VIP
VIP
 
Сообщения: 4534
Зарегистрирован: Чт янв 01, 1970 3:00 am
Откуда: Харьков
Автомобиль: SPECIALIZED HARDROCK
Клубная карта №: 0

Re: вопросы по мотору вольво 240 2.4 дизель

Сообщение Stas340 » Пт фев 19, 2010 12:19 pm

Поскольку расход минимальный то задумался что в сильные морозы можно оставлять на ночь бухтеть, чтобы не замерзал, или просто когда ждешь кого-то (чего-то) в машине чтобы было тепло.
Поменяю седан 244 на сарайку 245
Аватара пользователя
Stas340
VIP
VIP
 
Сообщения: 4868
Зарегистрирован: Ср мар 25, 2009 9:51 am
Откуда: г. Артемовск Донецкой обл. - г.Барвенково Харьковской обл.
Автомобиль: 244
Клубная карта №: 0

Re: вопросы по мотору вольво 240 2.4 дизель

Сообщение ARTYHA » Пт фев 19, 2010 12:53 pm

ну на ночь оставлять это канешна вариант не из лучших. расход будет примерно пол литра в час.... а добавить при этом оборотов совсем не сложно, подтянув рычаг акселератора. да еще и без присмотра оставлять надолго работающую машину... тож не оч безопасно... мало ли, лопнул вдруг патрубок охлаждения... и все.... стуканет!
09776ноль9029 093534один400 Артёмка. Занимаюсь системами безопасности, а так же ремонтом автоэлектрики, электроники: Блоки АБС, Приборные панели, климат-контроли, приборы управления и прочая электронная дребидень. шумоизоляция, автозвук. установка ГБО.
Аватара пользователя
ARTYHA
VIP
VIP
 
Сообщения: 3560
Зарегистрирован: Пн мар 23, 2009 12:42 am
Откуда: Киев
Автомобиль: 850Т5
Клубная карта №: 16

Re: вопросы по мотору вольво 240 2.4 дизель

Сообщение nikolajs » Пт фев 19, 2010 2:14 pm

А что? Очень плохо заводится в мороз? Свечки накала все работают? Ну и компрессия должна быть нормальной + аккумулятор мощный. У меня стоит 100-ка новая, так пока не заменил свечки (удалось 5 из 6 заменить), так я и аккумулятор садил, а завести не мог. Теперь вот завожу нормально, хотя один цилиндр не хватает сразу и мотор подтраивает и "бухтит" пока не прогреется. Думаю если бы и 6-ю свечу заменил бы, то былобы вообще огонь. Да, еще фильтр топливный не мешало бы проверить. Сам знаешь какая солярка у нас. Кстати, вот интересный факт - когда менял свечи, оказалось, что на одной из них отпал электрод и упал в форкамеру (вернее остался в гнезде свечки)...??? как вытвщить :? благо сосед подсказал, крутонул стартером, электрод и выскочил сам! Вот так вот!
Аватара пользователя
nikolajs
VIP
VIP
 
Сообщения: 4534
Зарегистрирован: Чт янв 01, 1970 3:00 am
Откуда: Харьков
Автомобиль: SPECIALIZED HARDROCK
Клубная карта №: 0

Re: вопросы по мотору вольво 240 2.4 дизель

Сообщение volvo244DLs » Пт фев 19, 2010 6:06 pm

nikolajs писал(а):Грешен, каюсь :? Вот и я о том... ремонт любого характера дорог, а такого так вообще. Я после своего случая, вообще дизеля немного опасаюсь, но 244-ю... взял, уж больно она мне приглянулась.
А по поводу замены ремня ГРМ, без 0,5 не разобраться... видать придется оращаться на СТО. Ну его, дело стремное.
А сколько масла туда нужно, а то менять нужно... и что же все таки туда заливать?

Поменять ГРМ проще чем 2 пальца. Есть 3 метки. 1) маховик и кожух. Надо поставить 0 на стрелку. 2)распредвал со стороны ТНВД имеет с торца метку . Поставить по срезу головы. 3) Шестерня ТНВД с корпусом ТНВД строго по метке, далее всё как обычно.Натяжка помпой и порядок. :buba:
VOLVO- это состояние души.
Аватара пользователя
volvo244DLs
VIP
VIP
 
Сообщения: 2094
Зарегистрирован: Ср окт 07, 2009 7:03 pm
Откуда: Николаев УКРАИНА
Автомобиль: Volvo 244 26.10.77г
Клубная карта №: 0

Re: вопросы по мотору вольво 240 2.4 дизель

Сообщение nikolajs » Пн фев 22, 2010 8:24 am

Нужно будет заняться. А вот крепления под фильтр возле насоса я не нашел... :? Может не знаю, что искать? :D Кто нить фотку сделал? Просто, чтоб сравнить.
Аватара пользователя
nikolajs
VIP
VIP
 
Сообщения: 4534
Зарегистрирован: Чт янв 01, 1970 3:00 am
Откуда: Харьков
Автомобиль: SPECIALIZED HARDROCK
Клубная карта №: 0

Re: вопросы по мотору вольво 240 2.4 дизель

Сообщение ARTYHA » Пн фев 22, 2010 10:34 am

да Коль.... я сфоткал... нужно фотик с машины забрать и выложу.
09776ноль9029 093534один400 Артёмка. Занимаюсь системами безопасности, а так же ремонтом автоэлектрики, электроники: Блоки АБС, Приборные панели, климат-контроли, приборы управления и прочая электронная дребидень. шумоизоляция, автозвук. установка ГБО.
Аватара пользователя
ARTYHA
VIP
VIP
 
Сообщения: 3560
Зарегистрирован: Пн мар 23, 2009 12:42 am
Откуда: Киев
Автомобиль: 850Т5
Клубная карта №: 16

Пред.След.

Вернуться в Двигатель

Кто сейчас на конференции

Сейчас этот форум просматривают: нет зарегистрированных пользователей и гости: 2

cron