Добро пожаловать: гость! Вход | Регистрация Текущее время: Сб май 30, 2026 7:39 am

регулировка включения передач

КПП, сцепление, карданный вал, мост, привода, ШРУСы и т.п.

Модераторы: Viking, DrEvil

регулировка включения передач

Сообщение vladimr » Вт апр 14, 2015 7:15 am

Добрый день Всем! Нужен совет! Как отрегулировать включение 1 и 2 передачи. Туго включатся с момента покупки авто.Если прижимать влево входят лучше,но не идеал,явно что то не то. Стало напрягать. Есть ли способ ? Вольво 940 ,2.3 без абс,1993 год, механическая КПП. С ув. Владимир
vladimr
Професор
Професор
 
Сообщения: 75
Зарегистрирован: Вс окт 26, 2014 2:05 am
Откуда: киев
Автомобиль: 940
Клубная карта №: 0

Re: регулировка включения передач

Сообщение Iwan06 » Вт апр 14, 2015 7:43 am

А КПП М46 , 5-я включается кнопкой ? У меня на этой коробке та же история , особенно хорошо проявляется когда у пробках стоиш .
Iwan06
Професор
Професор
 
Сообщения: 71
Зарегистрирован: Чт ноя 28, 2013 8:35 pm
Откуда: Ивано - Франковск
Автомобиль: Volvo 760
Клубная карта №: 0

Re: регулировка включения передач

Сообщение lex2009 » Вт апр 14, 2015 7:57 am

Варианта 2 обычно на переднеприводных кулиса разбалтывается, незнаю есть ли там такое. Второй вариант когда-то на Шкода фабиа заливали в коробку мегафорс, так тысяч через 10 передачи включались очень легко, совсем не узнать коробку.
Привет любителям шведских чемоданов!!!
Аватара пользователя
lex2009
VIP
VIP
 
Сообщения: 461
Зарегистрирован: Пн апр 08, 2013 11:24 pm
Откуда: Днепропетровск
Автомобиль: 760 85' D24TIC ZF4HP
Клубная карта №: 0

Re: регулировка включения передач

Сообщение vladimr » Вт апр 14, 2015 8:21 am

На ручке снизу кнопка,пальцами снизу поджимаешь и включаешь заднюю передачу. По ощущениям,при включении 1и 2 передачи,как вроде упираешься в пластинку слева,чуть сильнее придавишь и включается легче. Может там какой ограничитель и его надо сдвинуть. По опыту в Ланосах регулируется поворотом кулисы,ослабляешь хомут на шлицах и регулируешь. Как у нас на вольвах не знаю,потому и спрашиваю совета....
vladimr
Професор
Професор
 
Сообщения: 75
Зарегистрирован: Вс окт 26, 2014 2:05 am
Откуда: киев
Автомобиль: 940
Клубная карта №: 0

Re: регулировка включения передач

Сообщение MOOSE » Вт апр 14, 2015 10:02 am

сними чехол и посмотри ;)
"Единственный способ не быть жертвой — это быть палачом.."
Аватара пользователя
MOOSE
VIP
VIP
 
Сообщения: 3719
Зарегистрирован: Пн ноя 07, 2011 5:10 pm
Откуда: Київ
Автомобиль: Volvo 760 IBS
Клубная карта №: 0

Re: регулировка включения передач

Сообщение Denis_gl » Вт апр 14, 2015 11:09 am

Из слов ТС, получается коробка М47.
В ней есть 2 места сочленения кулисы и штока выбора передач.
Прямо под кулисой, нужно поменять пластиковые уплонители шара. Поменять пластиковые втулки вилки.
Ну и "до кучи" поменять шток соединения вилки со штангой выбора передачи.
Аватара пользователя
Denis_gl
VIP
VIP
 
Сообщения: 860
Зарегистрирован: Пт май 06, 2011 1:06 pm
Откуда: Харьков
Автомобиль: 940
Клубная карта №: 0

Re: регулировка включения передач

Сообщение janson » Вт апр 14, 2015 1:30 pm

Нужно сделать так https://www.drive2.ru/l/4062246863888282092/

Далее текст скопированный отсюда http://moscowvolvoclub.ru/modules/phpBB ... hp?p=20774

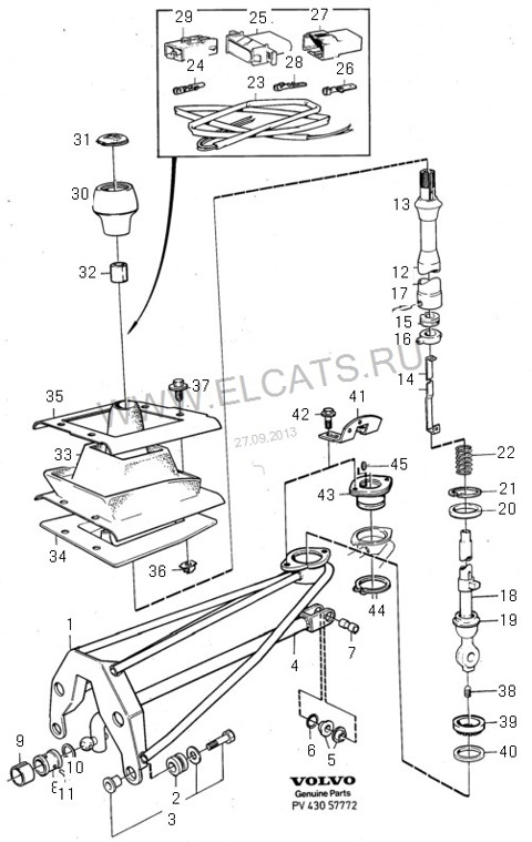
Народ, передаю свой опыт. У меня сейчас второй чемодан, первый был 740, переходка, с 47-й коробкой. Сейчас 940, 47-я. По опыту могу сказать, что без ямы фиг сделаешь.

Если подергать перед разборкой рычаг КПП вверх-вниз и люфта нет, значит выполняем только этап №1. Если есть, то еще и этап №2.
Этап 1.
Из салона:
1. Снимаем кожух туннеля. Желательно весь. Ну там, где подлоктник. Ничего страшного там нет, 4 или 5 винтиков по TOREX.
2. Откручиваем 4 винта №37 – ключ №10. Я крутил трубкой.
3. Снимаем рамку №35. Задираем чехол 33 вверх.
4. Из рычага 13 выбиваем штифтик 17 №966810 – 70 рублей. НЕ ПОТЕРЯТЬ!!! Все, рычаг вытягиваем вверх. В сборе. Он нам больше не нужен. Остается огрызок от кулисы 18.
Из ямы (с подъемника):
1. Надо открутить четыре болта №3.
2. Оттягиваем в сторону зада авто пружинный зажим 9.
3. Из шарнира 8 выдавливаем штифт 11.
4. Снимаем кулису в сборе.
5. Выкручиваем винт 38 под шестигранник. Выкручиваем – не высверливаем!!!
6. Выбиваем ось 7.
ВСЕ! Кулиса Снята и Разобрана!
Как правило, под замену идут следующие детальки. Да, даю цены по Экзисту:
1) Втулка №5 – 2 штуки. №1209638. 129 рублей штука.
2) Уплотнительное кольцо №6 – 1 штука. Но я ставил два. №1232595. Стоит - 132 рубля. Можно одно взять старое.
Этап 2.
На снятой кулисе:
1. Откручиваем винты 42 пластины 41.
2. Сжимаем стопорное кольцо 44. Лучше специальными щипцами. Если нет – проявите фантазию… Но не отверткой. Сломаете – будете ждать две недели, пока приедет (деталь №941844 - 80 рублей), или купите на разборке кулису.
Да в общем то все и разобрано…
Под замену:
1) Втулка №19 - №1232173 цена 364 рубля.
2) Втулка №39 - №3520209 цена 157 рублей.
3) Резинка №20 – по желанию №3520197 цена 78 рублей.
И усе… Где вы нашли 3000 рублей – не знаю!
Писал по памяти, могу ошибиться с порядком. Ну, в общем, по месту разберетесь. Но готовьтесь часа три поработать… Неудобно там все снимать.
Ах да, перед разборкой попросите помощника покачать кочергу КПП влево-вправо. Смотрим внимательно из ямы: если в муфте №8 разбиты отверстия и в ней гуляют штифты №11 их там два – вы попали. Впрочем, я так два раза попадал! Работы на день!
Мерим отверстия по самому большому овалу. Прикидываем: (я помню примерно, давно это было…)
Предположим, овал 5,7 мм (штангенциркулем, давайте все делать нормально и с первого раза!). Покупает размеров 5-7 сверл, по две!, а лучше по три штуки, одного размера. Лучше Советские, они крепче (почему – позже). 5,7; 5,8; 5,9 и т.д.
Рассверливаем отверстия: ну тут самое интересное – втулка, как и шток в коробке, вместе с ней, как мне кажется, из высокоуглеродистой стали, да еще с термообработкой.
Добиваемся, максимально плотной, но свободного натяга сверла (там где гладкая часть у сверла) в отверстии. Т.е., сверло, после увеличения отверстия, будет выполнять роль штифта. Разверткой гонять бесполезно, не влазит - не дает корпус коробки.
По выходу, после двух часов сверления, 20 заточек сверл, литра масла для смазки, получаем новые ровные отверстии во втулке и штоке коробки (разбивает там). Берем оставшееся сверло (из трех в моем случае), подгоняем под длину по месту и заменяем. Можно закалить, но я не стал. Лучше отрезать еще кусок от сверла, чем снова брать дрель.
У меня, во второй раз, учитывая что у меня в гараже есть ВСЕ необходимое, ремонт кулисы занял часа четыре… Думайте….
Зато вознаграждение – новая, четкая работы кочерги!
Вложения
Коробас.jpg
Аватара пользователя
janson
VIP
VIP
 
Сообщения: 390
Зарегистрирован: Вт янв 14, 2014 4:07 pm
Откуда: Киев
Автомобиль: Volvo 944 2.3 бенз
Клубная карта №: 0

Re: регулировка включения передач

Сообщение vladimr » Вт апр 14, 2015 3:02 pm

Все понятно. Вот только это ли причина тяжелого включения 1 и 2 передачи. Люфт ясно,так убирается.Он ли причина истории с 1и2 передачи?
vladimr
Професор
Професор
 
Сообщения: 75
Зарегистрирован: Вс окт 26, 2014 2:05 am
Откуда: киев
Автомобиль: 940
Клубная карта №: 0

Re: регулировка включения передач

Сообщение solohino » Вт апр 14, 2015 5:48 pm

Интересно,детали № 5,6,7 реально достать?
Вольво 760GL 2.4D, Олег
Аватара пользователя
solohino
VIP
VIP
 
Сообщения: 2247
Зарегистрирован: Вс авг 12, 2012 5:29 pm
Откуда: Херсон
Автомобиль: Volvo 760GLЕ
Клубная карта №: 17

Re: регулировка включения передач

Сообщение MOOSE » Вт апр 14, 2015 5:51 pm

solohino писал(а):Интересно,детали № 5,6,7 реально достать?

реально
"Единственный способ не быть жертвой — это быть палачом.."
Аватара пользователя
MOOSE
VIP
VIP
 
Сообщения: 3719
Зарегистрирован: Пн ноя 07, 2011 5:10 pm
Откуда: Київ
Автомобиль: Volvo 760 IBS
Клубная карта №: 0

Re: регулировка включения передач

Сообщение Bobrik » Вт апр 14, 2015 6:29 pm

solohino писал(а):Интересно,детали № 5,6,7 реально достать?

На Экзисте такой набор под 700 грн выходит.
Аватара пользователя
Bobrik
VIP
VIP
 
Сообщения: 780
Зарегистрирован: Сб июн 30, 2012 5:49 pm
Откуда: Киев
Автомобиль: 245. 91г
Клубная карта №: 0

Re: регулировка включения передач

Сообщение janson » Вт апр 14, 2015 7:04 pm

Других причин при исправном коробасе нет. А если нет уверенности в исправности коробаса, на диагностику... Или даже сразу на диагностику :buba:
Аватара пользователя
janson
VIP
VIP
 
Сообщения: 390
Зарегистрирован: Вт янв 14, 2014 4:07 pm
Откуда: Киев
Автомобиль: Volvo 944 2.3 бенз
Клубная карта №: 0

Re: регулировка включения передач

Сообщение Fomax79 » Вт апр 14, 2015 8:01 pm

Можно сразу разобрать коробку,а заодно и движок. Но проще попробовать сместить пластину 41,блокирующую включение задней.
Аватара пользователя
Fomax79
VIP
VIP
 
Сообщения: 1031
Зарегистрирован: Пн апр 23, 2012 11:57 pm
Откуда: Крым,Симферопольский р-он
Автомобиль: Volvo 245 D24 81г
Клубная карта №: 0

Re: регулировка включения передач

Сообщение Denis_gl » Вт апр 14, 2015 8:12 pm

solohino писал(а):Интересно,детали № 5,6,7 реально достать?

Я покупал. правда, даже новые залазили с зазором. Позже выточил из пластика и, сели с натягом
Аватара пользователя
Denis_gl
VIP
VIP
 
Сообщения: 860
Зарегистрирован: Пт май 06, 2011 1:06 pm
Откуда: Харьков
Автомобиль: 940
Клубная карта №: 0

Re: регулировка включения передач

Сообщение MOOSE » Вт апр 14, 2015 9:22 pm

vladimr писал(а):По ощущениям,при включении 1и 2 передачи,как вроде упираешься в пластинку слева

MOOSE писал(а):сними чехол и посмотри ;)

Fomax79 писал(а):проще попробовать сместить пластину 41,блокирующую включение задней.
"Единственный способ не быть жертвой — это быть палачом.."
Аватара пользователя
MOOSE
VIP
VIP
 
Сообщения: 3719
Зарегистрирован: Пн ноя 07, 2011 5:10 pm
Откуда: Київ
Автомобиль: Volvo 760 IBS
Клубная карта №: 0

Re: регулировка включения передач

Сообщение ClassN1 » Вт апр 14, 2015 10:54 pm

Denis_gl писал(а):Из слов ТС, получается коробка М47.
В ней есть 2 места сочленения кулисы и штока выбора передач.
Прямо под кулисой, нужно поменять пластиковые уплонители шара. Поменять пластиковые втулки вилки.
Ну и "до кучи" поменять шток соединения вилки со штангой выбора передачи.

+1 при правильном подходе к выбору материалов практически всегда помогает. Особое вниманиенужно уделить штоку не должно быть люфта.
Телефоны для связи временно только Kyivstar +380978081111 С ув ИВ.
Аватара пользователя
ClassN1
VIP
VIP
 
Сообщения: 1756
Зарегистрирован: Ср дек 04, 2013 10:21 am
Откуда: Украина
Автомобиль: V70
Клубная карта №: 21

Re: регулировка включения передач

Сообщение Denis_gl » Ср апр 15, 2015 9:30 am

ClassN1 писал(а):
Denis_gl писал(а):Из слов ТС, получается коробка М47.
В ней есть 2 места сочленения кулисы и штока выбора передач.
Прямо под кулисой, нужно поменять пластиковые уплонители шара. Поменять пластиковые втулки вилки.
Ну и "до кучи" поменять шток соединения вилки со штангой выбора передачи.

+1 при правильном подходе к выбору материалов практически всегда помогает. Особое вниманиенужно уделить штоку не должно быть люфта.


Да, перебирал с Григором, он на шток выделил немецкую каленую отвертку - стало просто идеально! С легким натягом...
Аватара пользователя
Denis_gl
VIP
VIP
 
Сообщения: 860
Зарегистрирован: Пт май 06, 2011 1:06 pm
Откуда: Харьков
Автомобиль: 940
Клубная карта №: 0

Re: регулировка включения передач

Сообщение vladimr » Вс май 03, 2015 12:49 pm

И вот свершилось. Наконец то появилось время и я залез к штоку. Оказалось все очень просто. 15 минут дела и 1,2 передача просто идеально. блин, надо было раньше ..... А то уже мышцы на правой руке повыростали (юмор). Всем привет!!!!
vladimr
Професор
Професор
 
Сообщения: 75
Зарегистрирован: Вс окт 26, 2014 2:05 am
Откуда: киев
Автомобиль: 940
Клубная карта №: 0

Re: регулировка включения передач

Сообщение Bobrik » Вс май 03, 2015 1:46 pm

vladimr писал(а):И вот свершилось. Наконец то появилось время и я залез к штоку. Оказалось все очень просто. 15 минут дела и 1,2 передача просто идеально. блин, надо было раньше ..... А то уже мышцы на правой руке повыростали (юмор). Всем привет!!!!

Так что сделал? Покупал или вытачивал?
Аватара пользователя
Bobrik
VIP
VIP
 
Сообщения: 780
Зарегистрирован: Сб июн 30, 2012 5:49 pm
Откуда: Киев
Автомобиль: 245. 91г
Клубная карта №: 0

Re: регулировка включения передач

Сообщение Denis_gl » Вс май 03, 2015 10:58 pm

Bobrik писал(а):
vladimr писал(а):И вот свершилось. Наконец то появилось время и я залез к штоку. Оказалось все очень просто. 15 минут дела и 1,2 передача просто идеально. блин, надо было раньше ..... А то уже мышцы на правой руке повыростали (юмор). Всем привет!!!!

Так что сделал? Покупал или вытачивал?

Да просто посмотрел! - вот что взгляд животворящий делает! :-D
Аватара пользователя
Denis_gl
VIP
VIP
 
Сообщения: 860
Зарегистрирован: Пт май 06, 2011 1:06 pm
Откуда: Харьков
Автомобиль: 940
Клубная карта №: 0

Re: регулировка включения передач

Сообщение vladimr » Пн май 04, 2015 3:09 pm

Взгляд был,не скрою.... А на самом деле- снял подлокотник,снял чехол,добрался до упора задней передачи-сместил пластину 41,блокирующую включение задней,отрегулировал,открутив два болтика,включение первой и второй передачи.Все собрал обратно. заняло 15 минут и все отлично!!!
vladimr
Професор
Професор
 
Сообщения: 75
Зарегистрирован: Вс окт 26, 2014 2:05 am
Откуда: киев
Автомобиль: 940
Клубная карта №: 0


Вернуться в Трансмиссия

Кто сейчас на конференции

Сейчас этот форум просматривают: нет зарегистрированных пользователей и гости: 2

cron