Добро пожаловать: гость! Вход | Регистрация Текущее время: Чт апр 16, 2026 11:20 pm

реле 5 скорости

Генератор, стартер, реле, предохранители, проводка и прочая электрика

Модераторы: Viking, DrEvil

реле 5 скорости

Сообщение Андрей-Volvo » Чт янв 26, 2012 4:41 pm

срочно нужна помощь в поключении реле 5 скорости 8 контактного !
Вложения
24012012039.jpg
24012012039.jpg (52.73 Кб) Просмотров: 2095
Изображение
VOLVO and only VOLVO
Андрей г.Кривой рог +380972546684 или +380988977206 ну или +380663429267
Аватара пользователя
Андрей-Volvo
VIP
VIP
 
Сообщения: 741
Зарегистрирован: Пн май 09, 2011 6:25 pm
Откуда: Кривой Рог
Автомобиль: 745 TD
Клубная карта №: 0

Re: реле 5 скорости

Сообщение Андрей-Volvo » Вс фев 05, 2012 9:06 pm

ау ! народ ! и что не ни укого схемы :sad: :sad: ?? ну выручите ! плизззз!!
Изображение
VOLVO and only VOLVO
Андрей г.Кривой рог +380972546684 или +380988977206 ну или +380663429267
Аватара пользователя
Андрей-Volvo
VIP
VIP
 
Сообщения: 741
Зарегистрирован: Пн май 09, 2011 6:25 pm
Откуда: Кривой Рог
Автомобиль: 745 TD
Клубная карта №: 0

Re: реле 5 скорости

Сообщение Андрей-Volvo » Чт фев 09, 2012 9:12 pm

Добрый вечер господа ! мне срочно нужна помощь при подключении схемы реле 5 скорости ! за ранее благодарен!
Изображение
VOLVO and only VOLVO
Андрей г.Кривой рог +380972546684 или +380988977206 ну или +380663429267
Аватара пользователя
Андрей-Volvo
VIP
VIP
 
Сообщения: 741
Зарегистрирован: Пн май 09, 2011 6:25 pm
Откуда: Кривой Рог
Автомобиль: 745 TD
Клубная карта №: 0

Re: реле 5 скорости

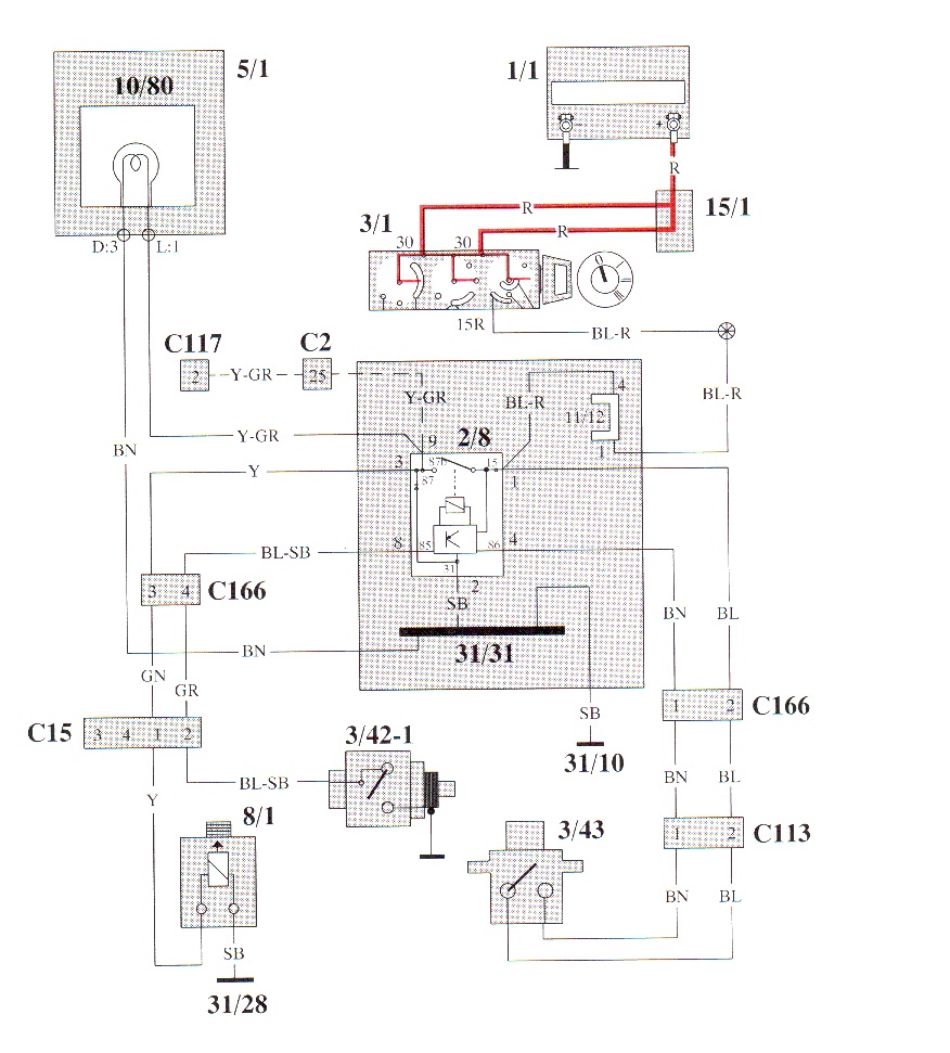
Сообщение Timosha » Пт фев 10, 2012 2:16 pm

Есть такая схема.
Вложения
m46.jpg
Timosha
VIP
VIP
 
Сообщения: 114
Зарегистрирован: Пн ноя 28, 2011 10:59 am
Откуда: Львов
Автомобиль: ниссан 2,0 dci
Клубная карта №: 0

Re: реле 5 скорости

Сообщение leo_run » Пт фев 10, 2012 3:33 pm

У андрея она тоже есть:))))
Аватара пользователя
leo_run
VIP
VIP
 
Сообщения: 3983
Зарегистрирован: Чт янв 01, 1970 3:00 am
Откуда: Ukrain,USA, Chech republic.
Автомобиль: 242GT
Клубная карта №: 10

Re: реле 5 скорости

Сообщение Timosha » Пт фев 10, 2012 3:57 pm

Если смотреть схему реле и схему подключения, одинаковые.
Вложения
volvo_740_1992_overdrive_relay_oem_3523806.jpg
Timosha
VIP
VIP
 
Сообщения: 114
Зарегистрирован: Пн ноя 28, 2011 10:59 am
Откуда: Львов
Автомобиль: ниссан 2,0 dci
Клубная карта №: 0


Вернуться в Электрическая часть

Кто сейчас на конференции

Сейчас этот форум просматривают: нет зарегистрированных пользователей и гости: 1

cron