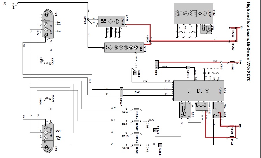
біля пів року є власником Вольво в70 2,5 тді другої генерації, на днях пропало ближнє світло, і вибило помилку (anomaia faro luce anabaggl ), у першу чергу провірив лампочки(все гуд), запобіжники (все гуд), провірив живлення на них, а там по нулях
. Прочита дуже багато інфи по блоках СЕМ, але так і не міг знайти точних данних стосовно вольво в70. Питання наступне, можливо хтось знає де знаходиться реле ближнього світла або шунт який потрібно замінити?
ось такий самий блок СЕМ знаходиться у мене в багажному відсіку
п.с. вчора світло появилося, а потім знову пропало(
п.п.с. габарити працюють, дальнє працює, птф працюють



