Добро пожаловать: гость! Вход | Регистрация Текущее время: Вт апр 14, 2026 11:24 am

Клапан кондиционера 850-й

Вопросы свзянные с интерьером и экстерьером.

Модераторы: Viking, DrEvil

Клапан кондиционера 850-й

Сообщение mserg » Ср июл 31, 2013 4:31 pm

Как и предполагалось .после длительного простоя с пустым климатом не могло все взлететь просто после заправки.
Кондиционерщик утверждает .что после длительного простоя в пустом состоянии, залип некий терморегулируемый клапан, который находится под отопителем и для того чтобы с ним сделать что-то(что?) надо разобрать торпеду ,снять отопитель и т.п., и это все займет пару дней "шоб сделать аккуратно".
По описаниям кондиционерщика жеж ,трубки высокой и низкой стороны практически одинаковой температуры, и охлаждения нет.
Собственно, вопрос - что там за волшебный клапан, связано ли это все с ним, или возможны глюки в работе системы управления климатом, что с ним можно сделать и так ли он глубоко зарыт?
Аватара пользователя
mserg
VIP
VIP
 
Сообщения: 250
Зарегистрирован: Чт янв 01, 1970 3:00 am
Откуда: Днепропетровск
Автомобиль: Volvo 850 2.0 T5
Клубная карта №: 0

Re: Клапан кондиционера 850-й

Сообщение Sergey 850)) » Ср июл 31, 2013 4:40 pm

mserg писал(а):Как и предполагалось .после длительного простоя с пустым климатом не могло все взлететь просто после заправки.
Кондиционерщик утверждает .что после длительного простоя в пустом состоянии, залип некий терморегулируемый клапан, который находится под отопителем и для того чтобы с ним сделать что-то(что?) надо разобрать торпеду ,снять отопитель и т.п., и это все займет пару дней "шоб сделать аккуратно".
По описаниям кондиционерщика жеж ,трубки высокой и низкой стороны практически одинаковой температуры, и охлаждения нет.
Собственно, вопрос - что там за волшебный клапан, связано ли это все с ним, или возможны глюки в работе системы управления климатом, что с ним можно сделать и так ли он глубоко зарыт?



дай свой номер моб. тел.! все расскажу!
097пять7четыри91восемь2
Аватара пользователя
Sergey 850))
VIP
VIP
 
Сообщения: 999
Зарегистрирован: Вс дек 18, 2011 6:03 pm
Откуда: Днепропетровск
Автомобиль: volvo 850, 740, 940
Клубная карта №: 0

Re: Клапан кондиционера 850-й

Сообщение mserg » Ср июл 31, 2013 4:47 pm

066 375 76 50
Ну да, ты ж только из-под кондиционера :)
Аватара пользователя
mserg
VIP
VIP
 
Сообщения: 250
Зарегистрирован: Чт янв 01, 1970 3:00 am
Откуда: Днепропетровск
Автомобиль: Volvo 850 2.0 T5
Клубная карта №: 0

Re: Клапан кондиционера 850-й

Сообщение lexa » Ср июл 31, 2013 5:10 pm

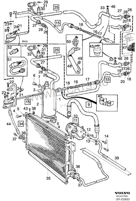
mserg писал(а): залип некий терморегулируемый клапан

Под торпедой испаритель
Вложения
CImage (1).png
Аватара пользователя
lexa
VIP
VIP
 
Сообщения: 4442
Зарегистрирован: Вс май 30, 2010 8:50 am
Автомобиль: большой
Клубная карта №: 0

Re: Клапан кондиционера 850-й

Сообщение Diringer » Ср июл 31, 2013 5:11 pm

В кондиционерах Вольво НЕТ такого клапана! Это система с испарительной трубкой и выходным доиспарителем :buba: Ищи другого кондиционерщика, который разбирается в американских системах кондиционирования.
З.Ы. Хотя, что там американсккого, полный аналог холодильника...
З.З.Ы. На Лешиной схеме испарительная трубка с жиклером - детали 16, 17, 18 и они полностью доступны из под капота.
Аватара пользователя
Diringer
VIP
VIP
 
Сообщения: 1018
Зарегистрирован: Сб окт 24, 2009 3:52 pm
Откуда: Харьков
Автомобиль: Volvo 850 GL 1993г.
Клубная карта №: 0

Re: Клапан кондиционера 850-й

Сообщение mserg » Ср июл 31, 2013 5:48 pm

Так и делать с ними что? Мне еще тут подсказали, что причиной может быть колба осушителя.
Аватара пользователя
mserg
VIP
VIP
 
Сообщения: 250
Зарегистрирован: Чт янв 01, 1970 3:00 am
Откуда: Днепропетровск
Автомобиль: Volvo 850 2.0 T5
Клубная карта №: 0

Re: Клапан кондиционера 850-й

Сообщение Diringer » Ср июл 31, 2013 6:18 pm

mserg писал(а):трубки высокой и низкой стороны практически одинаковой температуры, и охлаждения нет.

1. Если трубки на входе и выходе одинаково ледяные - значит нет съёма холода в испарителе: забит испаритель, через него не проходит воздух или вентилятор салона вообще воздух не подает;
2. Трубки на входе и выходе одинаково горячие - не происходит испарение хладогента: 3.14зда жиклеру испарительной трубки - разбирать трубку и смотреть причину.
3. Другие симптомы, исходя из грамотной диагностики системы кондиционирования...

З.Ы. 150 гривен - это себестоимость килограмма 134-го хладогента + на пиво тому, кто его туда вдул. Поэтому, либо разберись сам, как работает этот кондиционер (это просто и информации полно http://freezer.ru/R12-R134.shtml) и самостоятельно первично его продиагностируй, либо, что лучше, найди толкового специалиста (гривен за 300 с гарантией - не меньше).

З.З.Ы. Эта система кондиционирования в корне отличается от общепринятой автомобильной (ВАЗовской и т.д.), осушитель-доиспаритель у неё стоит на низкой стороне перед входом компрессора, а не на высокой с выхода конденсора (как у большиннства современных автокондиционеров) и причиной не работы всей системы быть, по большому счету, особо не может...
Аватара пользователя
Diringer
VIP
VIP
 
Сообщения: 1018
Зарегистрирован: Сб окт 24, 2009 3:52 pm
Откуда: Харьков
Автомобиль: Volvo 850 GL 1993г.
Клубная карта №: 0

Re: Клапан кондиционера 850-й

Сообщение seer_777 » Ср июл 31, 2013 6:52 pm

И я вопрос по теме )
Если со стороны водителя кондиционер дует хорошо а пассажира хорошо но теплым воздухом?
у знакомого холодильщика мерс полукабан) тоже с зонами и он мне показывал на своем авто под капотом в районе нашего АКБ коробку с клапанами и грит что у мня тоже должен быть и один из них халтурит.
Клапанов нет я так понял и дело в другом, в чем?
Любишь кататься? Люби и катайся!
Аватара пользователя
seer_777
VIP
VIP
 
Сообщения: 874
Зарегистрирован: Ср окт 17, 2012 5:02 pm
Автомобиль: Volvo S70 Т5
Клубная карта №: 0

Re: Клапан кондиционера 850-й

Сообщение Diringer » Ср июл 31, 2013 6:55 pm

В моторчиках приводов заслонок системы ЕСС или калибровке блока управления климатом...
З.Ы. у меня как то был подобный эффект, когда включил летом климат и забыл дозакрыть форточку правого пассажира...
Аватара пользователя
Diringer
VIP
VIP
 
Сообщения: 1018
Зарегистрирован: Сб окт 24, 2009 3:52 pm
Откуда: Харьков
Автомобиль: Volvo 850 GL 1993г.
Клубная карта №: 0

Re: Клапан кондиционера 850-й

Сообщение lexa » Ср июл 31, 2013 6:59 pm

http://www.volvo850.ru/sdelay/dattempECC.htm
seer_777 писал(а):И я вопрос по теме )
Аватара пользователя
lexa
VIP
VIP
 
Сообщения: 4442
Зарегистрирован: Вс май 30, 2010 8:50 am
Автомобиль: большой
Клубная карта №: 0

Re: Клапан кондиционера 850-й

Сообщение lexa » Ср июл 31, 2013 7:01 pm

seer_777 писал(а):Если со стороны водителя кондиционер дует хорошо а пассажира хорошо но теплым воздухом?

это потому что зажилил защиту... :femenist:
Аватара пользователя
lexa
VIP
VIP
 
Сообщения: 4442
Зарегистрирован: Вс май 30, 2010 8:50 am
Автомобиль: большой
Клубная карта №: 0

Re: Клапан кондиционера 850-й

Сообщение seer_777 » Ср июл 31, 2013 7:04 pm

)) у меня в машине форточка отсутствует. как ее установить чтобы проверить правильность Вашего предположения ?
Эти моторчики в такой белой коробке за блоком? Снимать усе?
Любишь кататься? Люби и катайся!
Аватара пользователя
seer_777
VIP
VIP
 
Сообщения: 874
Зарегистрирован: Ср окт 17, 2012 5:02 pm
Автомобиль: Volvo S70 Т5
Клубная карта №: 0

Re: Клапан кондиционера 850-й

Сообщение seer_777 » Ср июл 31, 2013 7:08 pm

lexa писал(а):
seer_777 писал(а):Если со стороны водителя кондиционер дует хорошо а пассажира хорошо но теплым воздухом?

это потому что зажилил защиту... :femenist:

леш я не торгую. Ты меня спутал. :-P тем более она у меня зимняя, а ща лето и тема о кондиционере.
ты смотрю любитель ссылить..
Любишь кататься? Люби и катайся!
Аватара пользователя
seer_777
VIP
VIP
 
Сообщения: 874
Зарегистрирован: Ср окт 17, 2012 5:02 pm
Автомобиль: Volvo S70 Т5
Клубная карта №: 0

Re: Клапан кондиционера 850-й

Сообщение lexa » Ср июл 31, 2013 7:19 pm

seer_777 писал(а):
lexa писал(а):
seer_777 писал(а):
ты смотрю любитель ссылить..
????????
Аватара пользователя
lexa
VIP
VIP
 
Сообщения: 4442
Зарегистрирован: Вс май 30, 2010 8:50 am
Автомобиль: большой
Клубная карта №: 0

Re: Клапан кондиционера 850-й

Сообщение vnukoff » Ср июл 31, 2013 7:23 pm

Я бы сначала проверил компрессор, там надо открутить 2 трубки идущие в него и покрутить шкив(в смысле муфту), должно в одно отверствие всасывать, а с другого выплевывать, если этого нет, то компрессор на свалку. У меня два компрессора попались не рабочих и симптомы очень похожи на твои были, ТРВ ( не знаю как на 850, а на 940-960 ТРВ есть)тут не причем. Когда забит ТРВ, то в одной стороне растет давление, а на другой образуется вакуум.
Последний раз редактировалось vnukoff Ср июл 31, 2013 7:28 pm, всего редактировалось 1 раз.
Изображение
Аватара пользователя
vnukoff
VIP
VIP
 
Сообщения: 1307
Зарегистрирован: Чт янв 01, 1970 3:00 am
Откуда: Одесса
Автомобиль: Volvo v70 d4 , 740
Клубная карта №: 0

Re: Клапан кондиционера 850-й

Сообщение vnukoff » Ср июл 31, 2013 7:25 pm

Diringer писал(а):В кондиционерах Вольво НЕТ такого клапана!

Наверное имелся ввиду ТРВ(терморег.вентиль), на 940 он есть :D
Изображение
Аватара пользователя
vnukoff
VIP
VIP
 
Сообщения: 1307
Зарегистрирован: Чт янв 01, 1970 3:00 am
Откуда: Одесса
Автомобиль: Volvo v70 d4 , 740
Клубная карта №: 0

Re: Клапан кондиционера 850-й

Сообщение Diringer » Ср июл 31, 2013 7:30 pm

vnukoff писал(а):
Diringer писал(а):В кондиционерах Вольво НЕТ такого клапана!

Наверное имелся ввиду ТРВ(терморег.вентиль), на 940 он есть :D

Схема приведена выше, там его нет. Видел у кондиционерщика 3-х литровую 960-ю - там его тоже не было... Тут либо трубка, либо ТРВ :D
Аватара пользователя
Diringer
VIP
VIP
 
Сообщения: 1018
Зарегистрирован: Сб окт 24, 2009 3:52 pm
Откуда: Харьков
Автомобиль: Volvo 850 GL 1993г.
Клубная карта №: 0

Re: Клапан кондиционера 850-й

Сообщение seer_777 » Ср июл 31, 2013 7:46 pm

lexa писал(а):
seer_777 писал(а):
lexa писал(а):
seer_777 писал(а):
ты смотрю любитель ссылить..
????????

ссылить Леша-ссылить...
Ну как бы покоректней )) объяснить ...это когда у меня к примеру спросят "который час?" а я отправлю спросившего к часам на коком ить админ здании, мол там посмотри, у тебя же глазики есть и ножки ходят.
p.s. спрашиваю у тебя , а не у сержвольво850 , что думаеш по моему вопросу?
Любишь кататься? Люби и катайся!
Аватара пользователя
seer_777
VIP
VIP
 
Сообщения: 874
Зарегистрирован: Ср окт 17, 2012 5:02 pm
Автомобиль: Volvo S70 Т5
Клубная карта №: 0

Re: Клапан кондиционера 850-й

Сообщение lexa » Ср июл 31, 2013 8:19 pm

seer_777 писал(а):p.s. спрашиваю у тебя , а не у сержвольво850 , что думаеш по моему вопросу?

8-)
Аватара пользователя
lexa
VIP
VIP
 
Сообщения: 4442
Зарегистрирован: Вс май 30, 2010 8:50 am
Автомобиль: большой
Клубная карта №: 0

Re: Клапан кондиционера 850-й

Сообщение seer_777 » Ср июл 31, 2013 9:33 pm

lexa писал(а):http://www.volvo850.ru/sdelay/dattempECC.htm
seer_777 писал(а):И я вопрос по теме )


lexa писал(а):
seer_777 писал(а):p.s. спрашиваю у тебя , а не у сержвольво850 , что думаеш по моему вопросу?

8-)


а-а-а... тем более ссылка то про замену датчика температуры воздуховода. :D
я одному писал "внимательней будь или не сунь" - тебе не буду, понимаю твою занятось и от туда спешку :D :-P

засрали блин такую хорошую тему. ТС прости :bye:
Любишь кататься? Люби и катайся!
Аватара пользователя
seer_777
VIP
VIP
 
Сообщения: 874
Зарегистрирован: Ср окт 17, 2012 5:02 pm
Автомобиль: Volvo S70 Т5
Клубная карта №: 0

Re: Клапан кондиционера 850-й

Сообщение mserg » Чт авг 01, 2013 8:38 am

Не, есть достаточно познавательные вещи. Для начала проведу первичную диагностику сам. Вчера, кстати .по дороге домой, включил кондиционер - холодит вроде. Я уж не знаю, сильно он холодит или слабо, но при выставленных на 22 регуляторах климата дуло достаточно прохладно с обоих сторон. В общем-то лето к концу идет. Пока выберу время шоб заехать к кондиционерщику, надо будет уже зимнюю резину подбирать :)
Аватара пользователя
mserg
VIP
VIP
 
Сообщения: 250
Зарегистрирован: Чт янв 01, 1970 3:00 am
Откуда: Днепропетровск
Автомобиль: Volvo 850 2.0 T5
Клубная карта №: 0

Re: Клапан кондиционера 850-й

Сообщение lexa » Чт авг 01, 2013 8:48 am

не в тему..
ночью накрылся компрессор на морозилке , еще не отдал за нее полсуммы :roulette:
Аватара пользователя
lexa
VIP
VIP
 
Сообщения: 4442
Зарегистрирован: Вс май 30, 2010 8:50 am
Автомобиль: большой
Клубная карта №: 0

Re: Клапан кондиционера 850-й

Сообщение seer_777 » Чт авг 01, 2013 11:09 am

lexa писал(а):не в тему..
ночью накрылся компрессор на морозилке , еще не отдал за нее полсуммы :roulette:


http://don.slando.ua/elektronika/tehnik ... lodilniki/
Любишь кататься? Люби и катайся!
Аватара пользователя
seer_777
VIP
VIP
 
Сообщения: 874
Зарегистрирован: Ср окт 17, 2012 5:02 pm
Автомобиль: Volvo S70 Т5
Клубная карта №: 0

Re: Клапан кондиционера 850-й

Сообщение mserg » Пт авг 02, 2013 8:46 am

Кстати, при включении кондиционера, климат моргает лампочками рециркуляции и кондиционера. Я так понимаю, он сигнализирует об ошибках? Где б посмотреть коды климата?
Аватара пользователя
mserg
VIP
VIP
 
Сообщения: 250
Зарегистрирован: Чт янв 01, 1970 3:00 am
Откуда: Днепропетровск
Автомобиль: Volvo 850 2.0 T5
Клубная карта №: 0

Re: Клапан кондиционера 850-й

Сообщение mserg » Пт авг 02, 2013 8:49 am

Отвечу себе сам. вот здесь: http://www.volvo850.ru/kod.htm#klimat Будем посмотреть.
Аватара пользователя
mserg
VIP
VIP
 
Сообщения: 250
Зарегистрирован: Чт янв 01, 1970 3:00 am
Откуда: Днепропетровск
Автомобиль: Volvo 850 2.0 T5
Клубная карта №: 0


Вернуться в Кузов/салон

Кто сейчас на конференции

Сейчас этот форум просматривают: нет зарегистрированных пользователей и гости: 1

cron