![]() |
|
| Добро пожаловать: гость! Вход | Регистрация | Текущее время: Вт апр 14, 2026 10:48 am | |

seer_777 писал(а):Прошу подсказки, есть ли с этой сторны какись тяжки ?



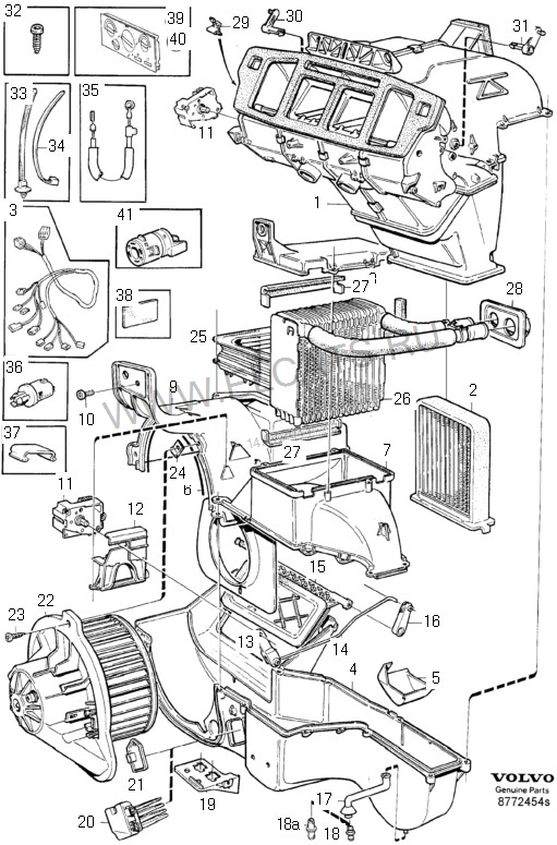
ARTYHA писал(а):там есть 2 черных коробочки, это моторчики положения заслонок. дело в них. они 2 одинаковые. с двух сторон вент канала центрального. примерно где нарисовал.









lexa писал(а):если снять бардачок его можно увидеть




Алежон писал(а):я не понял а какая ясность нужна?Скинул торпеду открыл корпус печки накинул разьемы в блок климата,включил и посмотрел как отрабатывают заслонки и крутят ли при этом моторы.Там работы на пару часов,мы за пол дня в 85о,вкидывали и подключали 70 климат.
ты уже объяснял. просто кто то говорил
про какусь тяжку со стороны паса...

ARTYHA писал(а):там есть 2 черных коробочки, это моторчики положения заслонок. дело в них. они 2 одинаковые. с двух сторон вент канала центрального. примерно где нарисовал.
Алежон писал(а):... может я ошибаюсь но на 70 климате моторы на эти заслонки стоят со стороны водителя,и один мотор крутит 2 заслонки сразу.......


Сейчас этот форум просматривают: нет зарегистрированных пользователей и гости: 1