Добро пожаловать: гость! Вход | Регистрация Текущее время: Вт апр 21, 2026 4:21 pm

Противатуманки на вольво 940

Генератор, стартер, реле, предохранители, проводка и прочая электрика

Модераторы: Viking, DrEvil

Противатуманки на вольво 940

Сообщение Dimon 940 » Вт ноя 06, 2012 4:10 pm

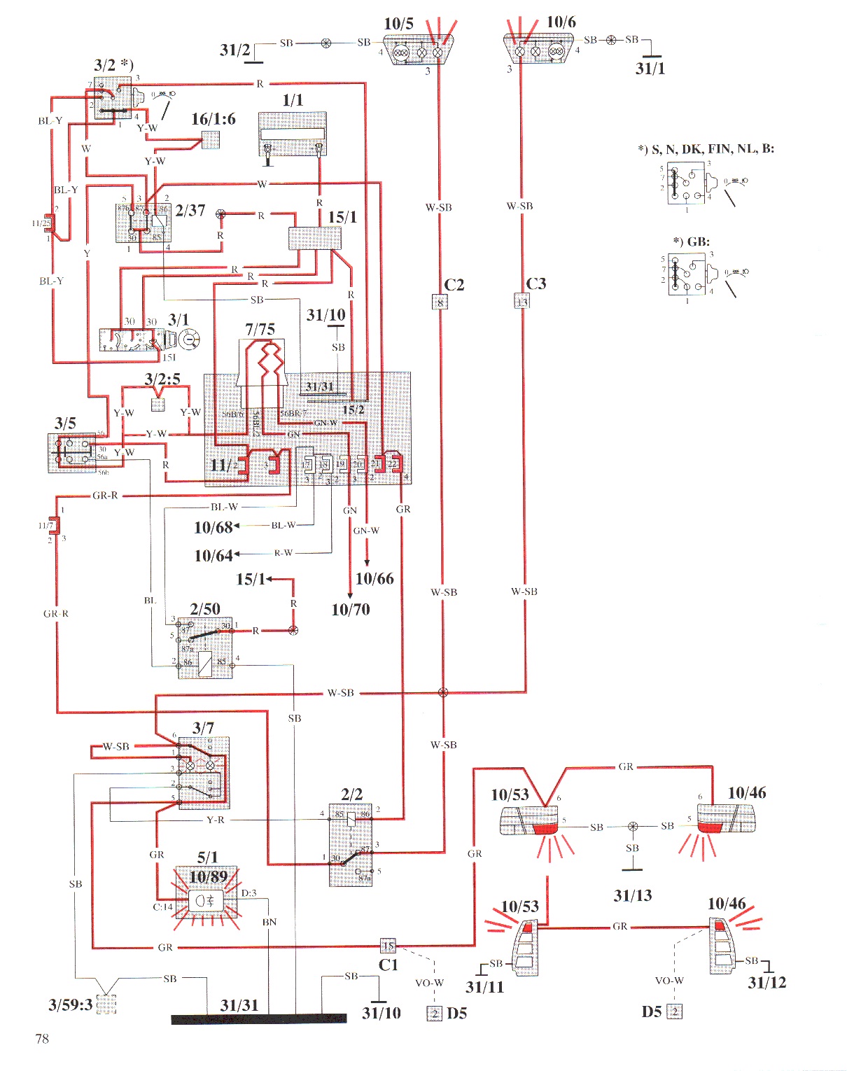
Днем обычно езжу с туманками, а вчера выхожу из машины и вижу, что они не горят. Проверил лампочки, предохранители, питание на предохранителях присутствует, никаких окислений на монтажном блоке нет, при включении клавишей птф- реле срабатывает, но подсветка в клавише не горит, весь остальной свет работает без нареканий. Ума не приложу где собака порылась, может есть у кого соображения? :roulette:
Dimon 940
VIP
VIP
 
Сообщения: 207
Зарегистрирован: Ср май 16, 2012 11:17 pm
Откуда: Харьков
Автомобиль: volvo 850 2.5 20v
Клубная карта №: 0

Re: Противатуманки на вольво 940

Сообщение Timosha » Вт ноя 06, 2012 4:57 pm

Вариант только один, тестер в руки и смотреть по схеме где теряется 12 в.
Вложения
ptf.jpg
ptf1.jpg
Timosha
VIP
VIP
 
Сообщения: 114
Зарегистрирован: Пн ноя 28, 2011 10:59 am
Откуда: Львов
Автомобиль: ниссан 2,0 dci
Клубная карта №: 0

Re: Противатуманки на вольво 940

Сообщение atol » Вт дек 11, 2012 9:44 pm

Были неприятности с напряжением ,при включенных потребителях, выше 12v. не подымалось, а то и до 11v. доходило. Помог простой способ прокладки дополнительной линии, {косичка с лужеными контактами длинной 74см в термоусадке} от земли генератора, под мотор{ b230fb} в точку прихода земли от аккумулятора - зеленый провод с палец толщиной. Теперь 14,2v минимум 13,7v - совсем другое дело. На радостях попроверял все земли которые увидел и заземлил капот отдельным проводом.
Изображение
atol
VIP
VIP
 
Сообщения: 389
Зарегистрирован: Вс фев 22, 2009 12:17 pm
Откуда: киев
Автомобиль: Volvo S80
Клубная карта №: 0


Вернуться в Электрическая часть

Кто сейчас на конференции

Сейчас этот форум просматривают: нет зарегистрированных пользователей и гости: 1

cron