Добро пожаловать: гость! Вход | Регистрация Текущее время: Пт апр 17, 2026 4:45 am

460. Сірий робот

Модераторы: Viking, DrEvil

Re: 460. Серый робот.

Сообщение Mihail » Вс июн 14, 2020 9:47 pm

vitalik k писал(а):Многовато.

Нет. И мне даже лень вступать в дискуссию. Девиз этого борта - быть максимально честным и правдивым.
Тыц.
расход.jpg

10 л бензин - городской режим на механике.
11,6 л бензин - городской режим на автомате (автомат добавил 1,6 литра).
13,6 л бензин - городской режим на автомате с постоянно включенным кондиционером (кондиционер добавил 2 литра).
15,7 л газ - городской режим на автомате с постоянно включенным кондиционером (газа требуется на 15 % больше бензина).

Где-то ошибка?
Аватара пользователя
Mihail
VIP
VIP
 
Сообщения: 881
Зарегистрирован: Пт фев 24, 2017 7:33 pm
Откуда: Кременчук
Автомобиль: 460
Клубная карта №: 0

Re: 460. Серый робот.

Сообщение Merlin » Вс июн 14, 2020 11:14 pm

У меня +- также получалось.

Чисто на бензе, без пробок почти, по городу на механике на ней у меня пару раз 10 бенза получалось. ну, понятно округлял, може на стакан больше/меньше. Но кондея небыло тогда, и феникса 5го тоже небыло. Был сток. автомат чутка добавил, и кондей, но вот вооообще не жалко. Я на ней кучу сил положил на восстановление кондея + климат добавил, Вобще ниразу не пожалел, в любую жару мог себе позволить кататься с закрытыми окнами.

Слава богу нынешний хозяин это все оценил, а не выкинул и не забил болт.
Аватара пользователя
Merlin
Модератор
Модератор
 
Сообщения: 3298
Зарегистрирован: Чт янв 01, 1970 3:00 am

Re: 460. Серый робот.

Сообщение Mihail » Ср июн 17, 2020 10:07 pm

Сделал частичную замену масла в автомате. Слилось около 2-х литров.
UPD. Cудя по тому, что читал у владельцев авто с 4HP14, так и должно быть.
Аватара пользователя
Mihail
VIP
VIP
 
Сообщения: 881
Зарегистрирован: Пт фев 24, 2017 7:33 pm
Откуда: Кременчук
Автомобиль: 460
Клубная карта №: 0

Re: 460. Серый робот.

Сообщение Mihail » Пт июл 31, 2020 12:09 pm

При отключенном или неисправном лямбда-зонде на конкретно этом автомобиле зеленый значок лямбды на приборке не загорается (мозг от рено, F3R), но в мозгах ошибка есть.

Гайка под лямбда-зонд ступичная ВАЗ классика. Они есть с правой и левой резьбой. Нам нужна та, что без точек (гайка М18*1,5*17 ступичная с левой резьбой ВАЗ-2101).
Гайка впускного/выпускного коллекторов М8х1,25 коллектора,приемн трубы 2101-08 латунь, нужно 10 шт. + шайбы.
Диаметр трубы выхлопа на 2.0 50 мм.
Шпильки "штаны-коллектор" M8.
Аватара пользователя
Mihail
VIP
VIP
 
Сообщения: 881
Зарегистрирован: Пт фев 24, 2017 7:33 pm
Откуда: Кременчук
Автомобиль: 460
Клубная карта №: 0

Re: 460. Серый робот.

Сообщение Merlin » Вс авг 02, 2020 11:15 pm

Есть такое дело с лямбдой. Реношная тема. Типа едет, и нефик водителю нервы портить.
Аватара пользователя
Merlin
Модератор
Модератор
 
Сообщения: 3298
Зарегистрирован: Чт янв 01, 1970 3:00 am

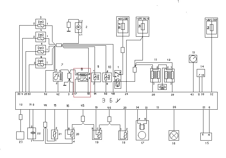
Датчик кислорода на Fenix 5 (F3R)

Сообщение Mihail » Пн авг 03, 2020 11:36 am

Еще по лямбде. Датчик 4 провода, поставить на 3 не получится. Земля датчика не связана с массой (минусом) автомобиля.
Распиновка ЭБУ Simens Fenix 5 для двигателя F3R
17 Сигнал в виде напряжения, поступающий от кислородного датчика
18 Масса кислородного датчика

ЭБУ F3R.jpg

Картинка отсюда.
Почитать про датчики кислорода.

Вопрос по лямбде возник после замены штанов (лопнули обе неродные гофры), поскольку б/у штаны шли с лямбдой на 3 контакта, и мастер не смог (не захотел) ее выкрутить. Я подключил трехпроводную, она не заработала. Проверил разъем лямбды на мозг, земляной не звонится с массой авто. Все стало понятно.
Кроме замены штанов сделано:
- заменена прокладка коллектор-штаны;
- заменены гайки шпилек колллектора на латунные на коллекторе и штанах;
- обломанные шпильки штанов заменены на болты нерж (M8x35);
- пустая банка катализатора заменена трубой (банка гудела);
- на место штатного подпружиненного соединения с кольцом вварена гофра 50х200 Ribuko (не усиленная, innerbraid, 3 слоя).
Аватара пользователя
Mihail
VIP
VIP
 
Сообщения: 881
Зарегистрирован: Пт фев 24, 2017 7:33 pm
Откуда: Кременчук
Автомобиль: 460
Клубная карта №: 0

Кондиционер

Сообщение Mihail » Ср авг 05, 2020 8:57 pm

Утечка, о которой я говорил в начале сезона, определена. Коррозия трубки нагнетания от компрессора к конденсатору.Трубку снял и осмотрел, паять там нечего ввиду плачевного общего состояния. На ней есть два коротких участка шланга, один из них в трещинах внешнего слоя, но без пятен масла. Принято решение менять гнилую трубку и старые гибкие участки на один цельный шланг. Длина шланга будет 63 см, диаметр трубок под опрессовку 12 мм. Если отдавать делать, то с расходными материалами и работой 400 грн./14,4$ (плюс пересылка). По запчастям отдельно (без стоимости пересылки) 310 грн., т.е. смысла заморачиваться и покупать шланг со стаканами отдельно нет никакого.

гнилая трубка нагнетания от компрессора.jpg
гнилая трубка нагнетания от компрессора.jpg (113.66 Кб) Просмотров: 8324

UPD. Встречал в сети информацию, что те трубки, у которых есть обжимное соединение со шлангом, паять/варить нельзя, если есть вероятность значительно нагреть трубку в месте контакта со шлангом. Связано это с тем, что можно поплавить пластиковый внутренний слой шланга, а именно он и обеспечивает герметичность.
Аватара пользователя
Mihail
VIP
VIP
 
Сообщения: 881
Зарегистрирован: Пт фев 24, 2017 7:33 pm
Откуда: Кременчук
Автомобиль: 460
Клубная карта №: 0

Re: 460. Серый робот.

Сообщение Merlin » Чт авг 06, 2020 12:31 am

Правильное решение.
Аватара пользователя
Merlin
Модератор
Модератор
 
Сообщения: 3298
Зарегистрирован: Чт янв 01, 1970 3:00 am

Кондиционер

Сообщение Mihail » Чт авг 06, 2020 9:01 pm

Все сделал. Заменили на шланг (специальный, для автокондиционеров) и обжали по месту (в городе, никуда не отправлял), но у нас дороже, 620 грн.(22,3$). Делала контора, которая занимается шлангами высокого давления.
Заменил колечки, собрал, заправил.
Также ранее сорвал резьбу в радиаторе под датчик включения вентилятора, когда менял бракованный. Токарь сделал черную футорку и нарезал новую резьбу в пластике. Это удовольствие обошлось в 150 грн.(5,4$). Уплотнение "датчик-футорка" медным кольцом (зажимается вне радиатора), "футорка-радиатор" - резиновой прокладкой или кольцом.
Подгадал все делать вместе, поскольку гайку трубки нагнетания к конденсатору не открутить без снятия радиатора.
Теперь хорошо, но будем посмотреть.
Вот что нашел по маслу в компрессоре
масло в компрессор.jpg
масло в компрессор.jpg (23.45 Кб) Просмотров: 8305
Аватара пользователя
Mihail
VIP
VIP
 
Сообщения: 881
Зарегистрирован: Пт фев 24, 2017 7:33 pm
Откуда: Кременчук
Автомобиль: 460
Клубная карта №: 0

Радиатор Nissens. Течь сливной пробки при остывании.

Сообщение Mihail » Пн авг 10, 2020 9:47 pm

Новый широкий (для машин с кондиционером) радиатор двигателя Nissens может течь по сливной пробке. У нее только одно уплотнительное кольцо на конце штока. Капает немного и только при остывании (ночная стоянка). Подобрать колечко не удалось.
Вариантов решения два:
1) поставить дополнительное кольцо в начале резьбы (от барашка);
2) поставить пробку 253183K100 Hyundai/Kia (способ не проверен).
Чтобы резинки не закусывало, перед установкой желательно смазывать (хоть и силиконовой смазкой, главное, чтобы не на сухую крутить).
UPD. Способ устранения течи сливной пробки установкой дополнительного кольца в начале резьбы (от барашка) работает.
Аватара пользователя
Mihail
VIP
VIP
 
Сообщения: 881
Зарегистрирован: Пт фев 24, 2017 7:33 pm
Откуда: Кременчук
Автомобиль: 460
Клубная карта №: 0

Re: 460. Серый робот.

Сообщение xoxlov » Вт авг 11, 2020 12:34 am

я подбирал колечко зеленое с наборов колечек для кондиционера.
xoxlov
VIP
VIP
 
Сообщения: 1449
Зарегистрирован: Пт май 31, 2013 10:12 am
Откуда: г.Николаев
Автомобиль: VOLVO S80 T6 AWD
Клубная карта №: 0

Конденсатор (радиатор) кондиционера Volvo 461408

Сообщение Mihail » Чт авг 13, 2020 10:12 am

Габаритные размеры конденсатора (635x420) мм.
Нижнее соединение конденсатора не разобралось. Штуцер конденсатора алюминиевый, ответная гайка и трубка черные. Алюминий скорродировал, уплотнительное кольцо превратилось в пластмассу. Пришлось отломать штуцер от трубки радиатора и только потом с нагревом раскручивать соединение.
Новый оригинал можно заказать, но не нужно, т.к. цена 433$.
Много фирм выпускало аналоги, сейчас все они недоступны.
Вариантов немного: либо донашивать то, что осталось из б/у, либо переделывать на конденсаторы для других автомобилей. Наиболее приемлемым мне видится конденсатор от ланоса. Лучше брать крашеный в черный цвет 94412 Nissens. Цена порядка 63$, они есть в наличии.
Для установки нужно изготовить верхнюю пластину крепления и вварить штуцеры на трубки нового радиатора (алюминий-алюминий).

01.jpg
01.jpg (86.77 Кб) Просмотров: 8145

02.jpg
02.jpg (102.35 Кб) Просмотров: 8145

03.jpg
03.jpg (90.24 Кб) Просмотров: 8145

04.jpg
04.jpg (87.79 Кб) Просмотров: 8145

05.jpg
05.jpg (77.1 Кб) Просмотров: 8145

06.jpg
06.jpg (74.74 Кб) Просмотров: 8145
Аватара пользователя
Mihail
VIP
VIP
 
Сообщения: 881
Зарегистрирован: Пт фев 24, 2017 7:33 pm
Откуда: Кременчук
Автомобиль: 460
Клубная карта №: 0

Штуцеры конденсатора кондиционера Volvo 461408

Сообщение Mihail » Сб авг 15, 2020 3:26 pm

Ремонтные алюминиевые штуцеры под кольцо есть в продаже в Украине (прямые и угловые). Цена за штуцер 3$ (но можно найти и за 1,5$).
Были заказаны:
1) фитинг алюминиевый №8 (10мм) ответный угловой 90° с наружной резьбой (10мм 3/4-16UNF (O-ring)) (верхний конденсатора);
2) фитинг алюминиевый №6 (8мм) ответный угловой 90° с наружной резьбой (8мм 5/8-18 UNF (O-ring)) (нижний).
"Нижний" покупной фитинг нам не подходит по резьбе под гайку (параметр 5/8=15,875 мм по наружной части резьбы, второй параметр после дефиса - число ниток, 18). На нем она меньше. У нас должно быть что-то похожее на 11/16"-16UNF (O-ring). Т.к. штуцеров таких нет, проще срезать ответную часть с гайкой и приварить фитинг стальной #6/Прямой, Female, ORing, 5/8-18UNF.

01_res.jpg
01_res.jpg (29.71 Кб) Просмотров: 8139

02_res.jpg
02_res.jpg (34.67 Кб) Просмотров: 8139

оригинал_нижний.jpg
оригинал_нижний.jpg (65.84 Кб) Просмотров: 8139

купленный_нижний.jpg
купленный_нижний.jpg (66.11 Кб) Просмотров: 8139
Аватара пользователя
Mihail
VIP
VIP
 
Сообщения: 881
Зарегистрирован: Пт фев 24, 2017 7:33 pm
Откуда: Кременчук
Автомобиль: 460
Клубная карта №: 0

Конденсатор кондиционера

Сообщение Mihail » Вт авг 18, 2020 8:19 pm

Поставил б/у оригинал.
В предпоследнюю (перед снятием старого конденсатора) и последнюю (установка живого) заправку системы добавил в общей сложности 190 грамм (100+90) масла PAG 46.
Аватара пользователя
Mihail
VIP
VIP
 
Сообщения: 881
Зарегистрирован: Пт фев 24, 2017 7:33 pm
Откуда: Кременчук
Автомобиль: 460
Клубная карта №: 0

Левый (автоматный) рычаг передней подвески + бендикс

Сообщение Mihail » Ср авг 19, 2020 11:24 am

Забыл написать. Была вибрация на скорости, похожая на вибрацию от внутренних ШРУСов. Она могла появляться и уходить независимо от скорости и покрытия дороги. Виной тому трещина уха заднего сайлентблока рычага (ухо не оторвалось, но жесткости конструкции уже не было). Рычаг заменен.
Автоматный с обычным не взаимозаменяем.
Также уже довольно давно после нескольких оборотов коленвала стартер иногда срывался и крутил вхолостую. Месяц назад вообще перестал заводить мотор. Переставил бендикс с донора.
Аватара пользователя
Mihail
VIP
VIP
 
Сообщения: 881
Зарегистрирован: Пт фев 24, 2017 7:33 pm
Откуда: Кременчук
Автомобиль: 460
Клубная карта №: 0

Re: 460. Серый робот.

Сообщение Merlin » Пт авг 21, 2020 10:04 am

левый автоматный не взаимозаменяем. правый одинаковый.
Аватара пользователя
Merlin
Модератор
Модератор
 
Сообщения: 3298
Зарегистрирован: Чт янв 01, 1970 3:00 am

20т

Сообщение Mihail » Ср авг 26, 2020 10:21 am

330т.jpg
330т.jpg (31.94 Кб) Просмотров: 7942

Предыдущая метка 10т.
Общий пробег на вольво 43т км, из них 23т на механике.
Аватара пользователя
Mihail
VIP
VIP
 
Сообщения: 881
Зарегистрирован: Пт фев 24, 2017 7:33 pm
Откуда: Кременчук
Автомобиль: 460
Клубная карта №: 0

Re: 460. Серый робот.

Сообщение Merlin » Сб сен 12, 2020 9:47 am

Я 20ку примерно за год делал на ней. :o
Аватара пользователя
Merlin
Модератор
Модератор
 
Сообщения: 3298
Зарегистрирован: Чт янв 01, 1970 3:00 am

11500 (321500) км

Сообщение Mihail » Сб окт 03, 2020 4:32 pm

Поставил новый аккумулятор Westa Premium 6СT-60А (0) Сa/Ca (производство 24-я неделя 2020 года, середина июня, свежак). 50$. Старый (ему более 3-х лет) переехал жить в черную.
Переобул колеса в зимнюю резину. Летняя умерла, стерлась до индикаторов.
Нужно менять тормозные колодки по кругу.
Думаю, к зиме машина будет продаваться.
UPD. Продаваться не будет. В этой цене и комплектации аналогов просто нет.
Аватара пользователя
Mihail
VIP
VIP
 
Сообщения: 881
Зарегистрирован: Пт фев 24, 2017 7:33 pm
Откуда: Кременчук
Автомобиль: 460
Клубная карта №: 0

ВИДЕОРЕГИСТРАТОР GLOBEX GE-100W С WI-FI

Сообщение Mihail » Вт окт 27, 2020 8:43 pm

Вместо умершего поставлен этот.
Видеорегистратор GLOBEX GE-100W. День. В настройках просмотра ставьте качество HD.

Видеорегистратор GLOBEX GE-100W. Ночь. В настройках просмотра ставьте качество HD.
Аватара пользователя
Mihail
VIP
VIP
 
Сообщения: 881
Зарегистрирован: Пт фев 24, 2017 7:33 pm
Откуда: Кременчук
Автомобиль: 460
Клубная карта №: 0

Re: 460. Серый робот.

Сообщение alexey500 » Вт окт 27, 2020 10:51 pm

Хорошая картинка.
Аватара пользователя
alexey500
VIP
VIP
 
Сообщения: 1106
Зарегистрирован: Вт окт 11, 2011 12:39 am
Откуда: Харьков
Автомобиль: V70 2.0T
Клубная карта №: 0

Re: 460. Серый робот.

Сообщение xoxlov » Вт окт 27, 2020 11:58 pm

хреновая, номера не читаются ночь от слова совсем.
xoxlov
VIP
VIP
 
Сообщения: 1449
Зарегистрирован: Пт май 31, 2013 10:12 am
Откуда: г.Николаев
Автомобиль: VOLVO S80 T6 AWD
Клубная карта №: 0

Re: 460. Серый робот.

Сообщение Mihail » Ср окт 28, 2020 12:03 am

В регистраторах за 200$ читаются, а за 20 нет. Мистика.
А как нарики будут рады сп... прошу прощения, украсть регик за 200$ :-D
Аватара пользователя
Mihail
VIP
VIP
 
Сообщения: 881
Зарегистрирован: Пт фев 24, 2017 7:33 pm
Откуда: Кременчук
Автомобиль: 460
Клубная карта №: 0

Re: 460. Серый робот.

Сообщение Merlin » Ср окт 28, 2020 11:28 pm

Вполне норм регик.
Аватара пользователя
Merlin
Модератор
Модератор
 
Сообщения: 3298
Зарегистрирован: Чт янв 01, 1970 3:00 am

Re: 460. Серый робот.

Сообщение Mihail » Ср ноя 18, 2020 12:36 pm

Вчера заменил хомут на патрубке печки, шланг подогрева дроссельной заслонки, под это дело и антифриз (Volvо концентрат с дистиллятом 1:1), старый был разведенный водой в непонятной уже пропорции.
Махнул свечи (Бош), старые прошли более 30 тыс. км. Менял превентивно, по утрам машина заводилась и работала как дизель (ровно, но как дизель), тяги не было. Через несколько минут начинала ехать, звук становился нормальным.
Сегодня у нас минус, утром не завел - не слышно бензонасоса (на этой машине он работает секунды 3 после включения зажигания). Предохранитель цел. Раза с десятого (без включения стартера) услышал шебуршащий звук от ЭБН (так, если бы крыльчатка цеплялась за лед). Думаю, проблема утренних пусков была в нем. Бензонасос AutoMega 01-3008150001-A, покупал 16 марта 2017 года , отъездил чуть более 30 тыс.км на двух автомобилях.

Интересная инфа по запчастям Dello (AutoMega)
Аватара пользователя
Mihail
VIP
VIP
 
Сообщения: 881
Зарегистрирован: Пт фев 24, 2017 7:33 pm
Откуда: Кременчук
Автомобиль: 460
Клубная карта №: 0

23300 км. Замена бензонасоса.

Сообщение Mihail » Чт ноя 19, 2020 7:15 pm

Бензонасос таки умер. Прозванивал его с колодки колбы бензонасоса, по нему обрыв, датчик прозванивается нормально. Открутил, вытащил, потряс. Прозвонил с клемм, 1 Ом. Нифига себе мистика. Включил проводами напрямую на аккумулятор, пищит, крутится. Одеваю опять на колбу, разъем колбы, колбу не собираю. Зажигание, моторчик работает. Еще раз, работает, но слабо. Третий раз - молчит. Проверяю сопротивление на клеммах самого бензонасоса, там 120 с чем-то Ом.
В общем, внутри него теряется контакт при работе даже без нагрузки.
Бензин в баке чистый, воды и льда нет, сеточка бензонасоса как новая.
23300 км. Замена бензонасоса.
Установлен Bosch 0 580 454 094 (оригинал), 110 л/ч при 3 бар.


эбн автомега_.jpg
эбн автомега_.jpg (28.92 Кб) Просмотров: 6916
Аватара пользователя
Mihail
VIP
VIP
 
Сообщения: 881
Зарегистрирован: Пт фев 24, 2017 7:33 pm
Откуда: Кременчук
Автомобиль: 460
Клубная карта №: 0

Re: 460. Серый робот.

Сообщение Mihail » Пн ноя 23, 2020 6:04 pm

С текущими ценами на 95-й бензин и ПБС экономия около (70...80) грн/100 км (не в 2 раза дешевле, как принято считать у приверженцев ГБО). Экономия была намного заметнее при ценах 28 грн/л за 95-й и 11,2 грн/л за ПБС, но те времена прошли.
Сейчас 95-й обычный 23 грн/л. Итого: 11,6 л/100 км * 23 грн/л = 266,8 грн/100 км.
ПБС 12,45 грн/л. Итого: 1 л/100 км * 23 грн/л + 13,5 л/100 км * 12,45 грн/л = 23 + 168 = 191 грн/100 км.
Экономия в процентах: ((266,8-191)/266,8)*100 = 28,4 %.
Аватара пользователя
Mihail
VIP
VIP
 
Сообщения: 881
Зарегистрирован: Пт фев 24, 2017 7:33 pm
Откуда: Кременчук
Автомобиль: 460
Клубная карта №: 0

Диагностика газомозга

Сообщение Mihail » Вс ноя 29, 2020 6:04 pm

Есть подозрение, что ВСЕ датчики ГБО в этой машине неисправны. Печаль.
1) Датчик абсолютного давления. Показывает 0,5 бара на заглушенном двигателе (для сравнения, ДАД бензиновых мозгов, установленный на той же вакуумной магистрали через тройник, показывает 1008 мбар). Показания ДАД бензомозга смотрю через бортовой комп, газового мозга - в софте ГБО.
2) Датчики температуры редуктора и температуры газа синхронно показывают одно и то же значение 155 град.С при работающем двигателе (по БК температура 95 град.С).

Система проходит калибровку и даже говорит, что дюзы подобраны правильно (но рекомендована замена на меньшие), но настроить невозможно. После стирания бензиновой и газовой карт и накатке сначала бензиновой, потом газовой (потом пересчет модели и ручная коррекция формы) получается чушь, карты не накладываются друг на друга, холостой дерганый, машина тупит в движении. Без замены датчиков врядли что-то получится.

датчики в печали.jpg

Возможно, это глюки софта при потере коннекта с газомозгом, но ошибки по высокой температуре прописаны в нем и они висят там, пока не сотрешь. Потом опять появляются.

Накатанные карты. Полная чушь.
накатанные карты.jpg

Попытка построить модель.
попытка построить модель.jpg
Аватара пользователя
Mihail
VIP
VIP
 
Сообщения: 881
Зарегистрирован: Пт фев 24, 2017 7:33 pm
Откуда: Кременчук
Автомобиль: 460
Клубная карта №: 0

Re: 460. Серый робот.

Сообщение vitalik k » Пн ноя 30, 2020 12:49 am

В конфиге параметрьі датчиков правильно указаньі?
Источник нашей мудрости - наш опыт. Источник нашего опыта - наша глупость. 0677928шесть46
Опыт - это когда на смену вопросам: "Что? Где? Когда? Как? Почему?" приходит единственный вопрос: "Нахрена? "
Аватара пользователя
vitalik k
VIP
VIP
 
Сообщения: 1350
Зарегистрирован: Чт мар 17, 2011 3:48 pm
Откуда: Бровары
Автомобиль: XC90 2.5T
Клубная карта №: 0

Re: 460. Серый робот.

Сообщение Merlin » Пн ноя 30, 2020 1:34 am

когдато были правильно указаны. либо внатуре чето отхлебнуло.
Аватара пользователя
Merlin
Модератор
Модератор
 
Сообщения: 3298
Зарегистрирован: Чт янв 01, 1970 3:00 am

Пред.След.

  • Похожие темы
    Ответы
    Просмотры
    Последнее сообщение

Вернуться в 4xx Series

Кто сейчас на конференции

Сейчас этот форум просматривают: нет зарегистрированных пользователей и гости: 1

cron