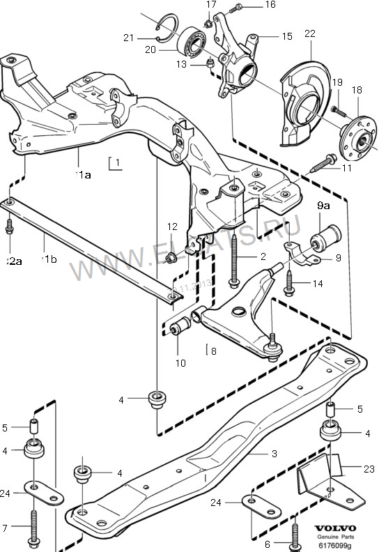
Столкнулся с проблемой , обломали шпильку на переднем колесе , подскажите , как она меняется , одни говорят нужно снимать ступицу , и менять подшипник , другие , что менять просто , через вырез в защите тормозного диска , вот схема узла с каталога
шпилька под номером 19




