Добро пожаловать: гость! Вход | Регистрация Текущее время: Вт апр 14, 2026 8:31 am

Постройка ТТ котла длительного (верхнего) горения

Интересное, прикольное, веселое. Слабо модерируемый форум!

Модератор: Blood_Omen

Постройка ТТ котла длительного (верхнего) горения

Сообщение Stas340 » Пн дек 22, 2014 4:14 pm

Всем привет!
Насколько я понимаю что не во всех уголках нашей страны есть блага цивилизации в виде природного газа, да и бывает что отопление дома газом обходится в довольно круглую сумму, потому думаю данная тема может и заинтересует кого.

Память детства: пришел со школы - топи котел, проснулся утром - холодно, засмотрелся фильм - прогорело - топи заново. Когда провели газ, очпуел от комфорта, когда приносили счет очпуевал от суммы)))) Короче круговорот очпуеваний в природе)))

Несколько лет назад в поисках твердотопливного (далее ТТ) котла для отопления офисного помещения, отец наткнулся на котел верхнего горения Стропува http://www.stropuva.com.ua/modeli-i-tseny.html хотя и была цена для того года в 2200 евро за 40 кВт-ный котел довольно высокой, но по сравнению с электрическим отоплением получалась вообще халява и окупился он за 1,5 года (отопительных сезона), да и с условием что одной закладки угля хватало до 5 суток, в течении которых можно было не подходить к котлу, был вообще находкой.
На то время они были единственными в Украине котлами верхнего горения, и что то подобное но дешевле в продаже не появлялось. Да и жил я тогда, в квартире и как то особо не парился, но тут переезд - свой домик и т.д. и неуемная пятая точка не дает покоя рукам и голове с подвигала чего то такого сотворить.

Изначально в прошлом году была сделана буржуйка в мастерскую из 50 литрового потекшего бойлера, которая при хороших и сухих дровах горела непрерывно до 6 часов при этом стояла жара в небольшой мастерской.

Поскольку работаю я в сельхозпредприятии, то увидев как скупают отходы от очистки подсолнуха (для изготовления топливных гранул) по 50 грн/тонна решил попробовать топить ими в буржуйке. В обычном котле/буржуйке нижнего горения гореть они будут но очень быстро. Но в буржуйке верхнего горения они горят довольно неплохо и до 3-х часов дают стабильное тепло. Также после чистки сада есть довольно огромная гора веток которые многие просто сжигают, но мне вера не позволяет и я измельчив их трамбую в буржуйку и горят они тоже довольно долго. Также при верхнем горении очень хорошо и долго горят опилки, мебельщикам и столярам на заметку.

Собственно буржуйка верхнего горения
Вложения
DSC02298.JPG
DSC02298.JPG (48.5 Кб) Просмотров: 19536
DSC02297.JPG
DSC02297.JPG (39.07 Кб) Просмотров: 19536
DSC02296.JPG
DSC02296.JPG (41.04 Кб) Просмотров: 19536
DSC02295.JPG
DSC02295.JPG (50.05 Кб) Просмотров: 19536
DSC02294.JPG
DSC02294.JPG (57.61 Кб) Просмотров: 19536
DSC02293.JPG
DSC02290.JPG
4,5.JPG
4,5 часа горения
2,5.JPG
2,5 часа горения
Аватара пользователя
Stas340
VIP
VIP
 
Сообщения: 4868
Зарегистрирован: Ср мар 25, 2009 9:51 am
Откуда: г. Артемовск Донецкой обл. - г.Барвенково Харьковской обл.
Автомобиль: 244
Клубная карта №: 0

Re: Постройка ТТ котла длительного (верхнего) горения

Сообщение Aleksander » Пн дек 22, 2014 4:29 pm

Стасян!Прочитав твой заголовок, подумал сразу про спам!!!Исправил!!!! :P
Изображение
Аватара пользователя
Aleksander
Модератор
Модератор
 
Сообщения: 4238
Зарегистрирован: Чт янв 01, 1970 3:00 am
Откуда: Киев была Volvo 460 GL затем Honda CR-V сейчас Citroen C4
Автомобиль: Citroen C4 2015
Клубная карта №: 23

Re: Постройка ТТ котля длительного (верхнего) горениягорения

Сообщение nikolajs » Пн дек 22, 2014 4:32 pm

Правильная тенденция! Буржуи научат как жить правильно. Вот и буржуйки сами начнем клепать. Я летом обычный ТТ выхватил по старой цене, но так и не врезал параллельно. Газ пока есть... Но у меня обычный ТТ.
Аватара пользователя
nikolajs
VIP
VIP
 
Сообщения: 4534
Зарегистрирован: Чт янв 01, 1970 3:00 am
Откуда: Харьков
Автомобиль: SPECIALIZED HARDROCK
Клубная карта №: 0

Re: Постройка ТТ котла длительного (верхнего) горения

Сообщение vovo » Пн дек 22, 2014 4:33 pm

Интересно конечно, только описали бы подробно как делали и как процесс горения идет. Бо я так и не понял куда там дрова закидывать)
І на оновленій землі
Врага не буде, супостата,
А буде син, і буде мати,
І будуть люди на землі.
♂ッ♂
Аватара пользователя
vovo
VIP
VIP
 
Сообщения: 1580
Зарегистрирован: Пт май 16, 2014 9:06 am
Откуда: Київ
Автомобиль: S60 ІІ
Клубная карта №: 0

Re: Постройка ТТ котля длительного (верхнего) горениягорения

Сообщение Stas340 » Пн дек 22, 2014 4:34 pm

скорость набора текста у меня довольно высокая но я не успеваю так быстро, потому терпение :D

И так собственно что есть верхнее горение, это когда закладывают топливо в емкость и поджигают сверху, топливо постепенно прогорает и опускает к новому топливу которое терпеливо ждет своей очереди сжигания. Обеспечивается это подачей воздуха непосредственно в зону горения подвижной трубой (буржуйка) или телескопом (котел)

Поскольку у отца в гараже ждал меня (ну я так думаю))) лист металла 3 мм 1250*2500 то было принято решение изготавливать ТТ котел верхнего горения самостоятельно.

В Барвенково в заводе "Красный луч" при союзе выпускались самоходные буровые установки, там я нашел вальцы которыми можно свернуть в трубу нужного диаметра металл до 8 или даже 10 мм, мне там изогнули две трубы 400 и 450 мм (на 450 мм не хватило 14 см и потому я доваривал потом полосу)
Дома в мастерской скапливался всяческий металлолом в виде кусков метала, труб, листов металла разной толщины и размера и т.д.

В общем собственно что получилось, на данный момент поварил рубашку котла, вварил выхлопной патрубок под 180 трубу, вварил дверные проемы, опресовал котел воздухом 3 кг/см2, заварил все свищи (сварщик не очень) :? начал изготавливать телескоп подачи воздуха и рекупиратор (подогрев входного воздуха)

По мере продвижения буду дополнять фотографиями, вдруг кому чего интересно спрашивайте
Вложения
eewwr.jpg
eewwr.jpg (37.35 Кб) Просмотров: 19523
DSC02611.JPG
отходы очистки подсолнуха
DSC02613.JPG
отходы очистки подсолнуха
DSC02616.JPG
DSC02617.JPG
DSC02618.JPG
DSC02620.JPG
DSC02614.JPG
DSC02615.JPG
Последний раз редактировалось Stas340 Пн дек 22, 2014 5:03 pm, всего редактировалось 1 раз.
Аватара пользователя
Stas340
VIP
VIP
 
Сообщения: 4868
Зарегистрирован: Ср мар 25, 2009 9:51 am
Откуда: г. Артемовск Донецкой обл. - г.Барвенково Харьковской обл.
Автомобиль: 244
Клубная карта №: 0

Re: Постройка ТТ котла длительного (верхнего) горения

Сообщение Aleksander » Пн дек 22, 2014 4:36 pm

Вот это подход!!! ;)
Изображение
Аватара пользователя
Aleksander
Модератор
Модератор
 
Сообщения: 4238
Зарегистрирован: Чт янв 01, 1970 3:00 am
Откуда: Киев была Volvo 460 GL затем Honda CR-V сейчас Citroen C4
Автомобиль: Citroen C4 2015
Клубная карта №: 23

Re: Постройка ТТ котла длительного (верхнего) горения

Сообщение Vladizlav » Пн дек 22, 2014 4:43 pm

Что б не бегать к котлу -- поставил себе акум тепла (буферная ёмкость).
Но у меня все завязано в доме на обычные водяные батареи. Хотя несложно и в этом котле сделать рубашку с водой.
Пиролизные котлы имеют высокий КПД, но дорогие. Самоделка -- значительно дешевле. Только толщину стенки надо 3..4 мм.
Подача воздуха принудительно ?
Аватара пользователя
Vladizlav
VIP
VIP
 
Сообщения: 1887
Зарегистрирован: Пн сен 26, 2011 8:15 pm
Откуда: Ивано-Франковск
Автомобиль: Volvo 340 1.6D+Golf4
Клубная карта №: 0

Re: Постройка ТТ котла длительного (верхнего) горения

Сообщение михась » Пн дек 22, 2014 4:50 pm

:moil: Молодец)) распространённая фича, ну а роликов хватает.

Изображение
Аватара пользователя
михась
VIP
VIP
 
Сообщения: 1955
Зарегистрирован: Сб мар 26, 2011 11:39 pm
Откуда: харків
Автомобиль: VW Polo GTI
Клубная карта №: 19

Re: Постройка ТТ котла длительного (верхнего) горения

Сообщение Stas340 » Пн дек 22, 2014 4:51 pm

Вот здесь уже готовый самодельный котел, но чуть больше по мощности чем мой и без рекуператора
http://imhodom.ru/node/8018

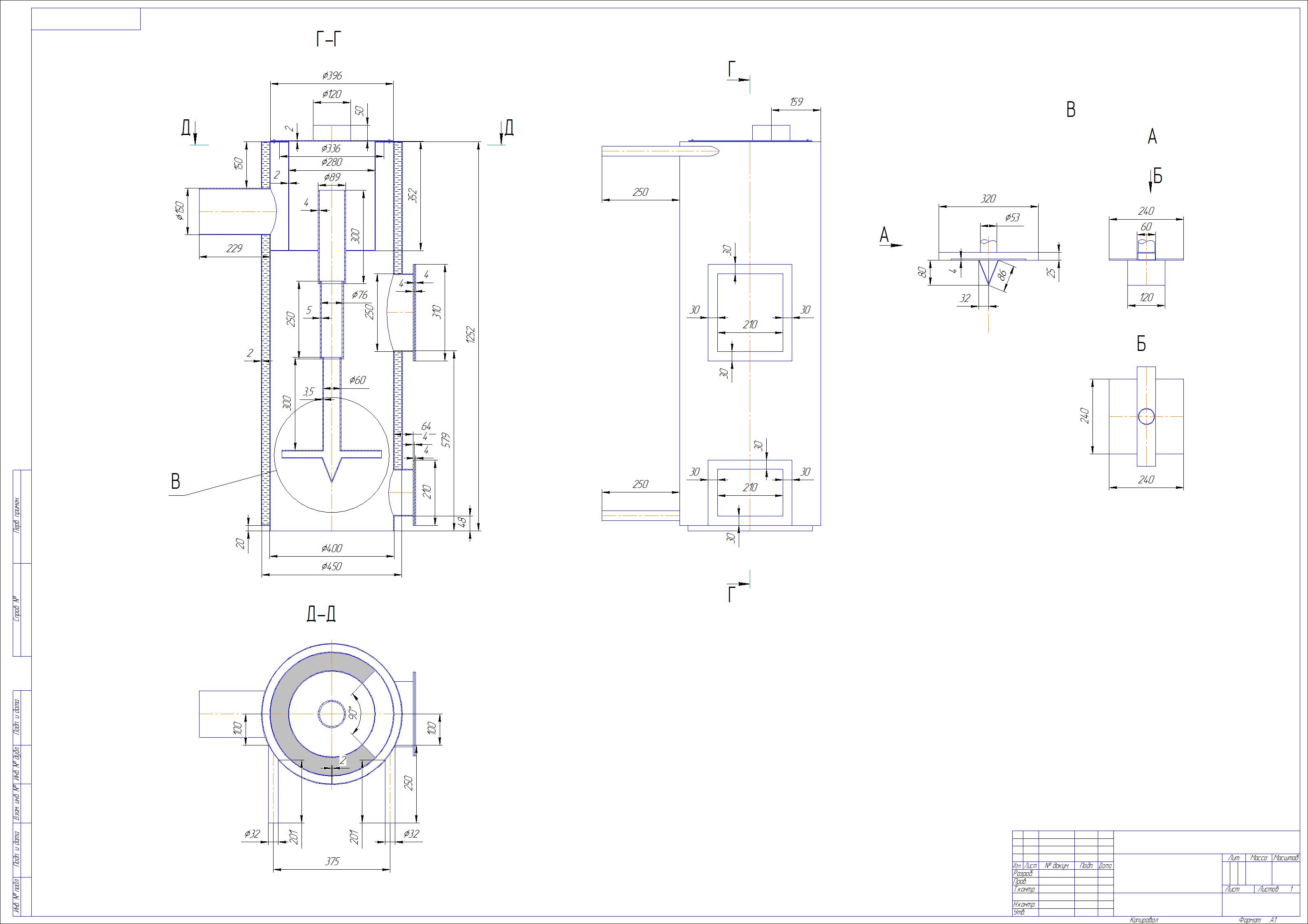
Расчетная мощность моего котла около 7 кВт, время горения одной закладки предполагается до 12 часов в зависимости от топлива, а вообще практика покажет

Собственно схема с размерами и прочим, я от них отошел кроме размеров рубашки
схема стропувы.jpg


Vladizlav писал(а):Что б не бегать к котлу -- поставил себе акум тепла (буферная ёмкость).
Но у меня все завязано в доме на обычные водяные батареи. Хотя несложно и в этом котле сделать рубашку с водой.
Пиролизные котлы имеют высокий КПД, но дорогие. Самоделка -- значительно дешевле. Только толщину стенки надо 3..4 мм.
Подача воздуха принудительно ?

Тепловой аккумулятор хорошо и для теплых полов и для реализации бойлера и вообще, но штука тоже не дешевая и просит места для размещения.
Этот котел делается именно с водяной рубашкой!
Пиролизные котлы более требовательны к чистоте топлива, более энергозависимы, НА МНОГО более затратные по материалам и намного сложнее в изготовлении, плюс площадь занимают немалую. Опыт пользователя самодельного пиролизника и самодельного котла верхнего горения работающий в одной системе отопления и при равных условиях работают одинаково по продолжительности.

Принудительна подача воздуха (кампутерный кулер) нужен только при сжигании угля
Аватара пользователя
Stas340
VIP
VIP
 
Сообщения: 4868
Зарегистрирован: Ср мар 25, 2009 9:51 am
Откуда: г. Артемовск Донецкой обл. - г.Барвенково Харьковской обл.
Автомобиль: 244
Клубная карта №: 0

Re: Постройка ТТ котла длительного (верхнего) горения

Сообщение Stas340 » Пн дек 22, 2014 4:52 pm

Еще раз обращаю внимание что котел делается с водяной рубашкой а не просто буржуйка (она уже у меня есть) :buba:
Аватара пользователя
Stas340
VIP
VIP
 
Сообщения: 4868
Зарегистрирован: Ср мар 25, 2009 9:51 am
Откуда: г. Артемовск Донецкой обл. - г.Барвенково Харьковской обл.
Автомобиль: 244
Клубная карта №: 0

Re: Постройка ТТ котла длительного (верхнего) горения

Сообщение михась » Пн дек 22, 2014 4:58 pm

Stas340 писал(а):Еще раз обращаю внимание что котел делается с водяной рубашкой а не просто буржуйка (она уже у меня есть) :buba:

Стас, то уже детали, рубашка, принудительный воздух и т.п. ,народ спрашивал за принцип, собственно для наглядности)) :frends:
Изображение
Аватара пользователя
михась
VIP
VIP
 
Сообщения: 1955
Зарегистрирован: Сб мар 26, 2011 11:39 pm
Откуда: харків
Автомобиль: VW Polo GTI
Клубная карта №: 19

Re: Постройка ТТ котла длительного (верхнего) горения

Сообщение Stas340 » Пн дек 22, 2014 7:05 pm

ну и собственно бюджет и комплектующие
два листа металла 2,5-3 мм 1250*2500 мм - пусть 1100 грн лист = 2200 грн
электроды 3 мм 4 кг *50 = 200 грн
диски на болгарку 230 мм 3 шт по 17 = 41 ; 115 мм *15 по 6 = 80 и один 125 мм зачистной 15 итого 136 грн
резьбы 40 мм для врезки воды 2 шт 6 грн
метал 8 мм куски и трубы из металолома пусть на 300 гривен
услуги вальцов 250 грн
100 грн на газ для поездок

итого 3200 грн, наличие инструмента, ну и несколько времени

у меня все вышло на 600-700 грн

то есть в принципе не дороже самого простого заводского ТТ котла, только с возможностью подходить к нему не каждые пол часа а раз в 8 часов, а если у вас еще есть доступ к опилкам или прочим отходам то еще и относительно дешево
Аватара пользователя
Stas340
VIP
VIP
 
Сообщения: 4868
Зарегистрирован: Ср мар 25, 2009 9:51 am
Откуда: г. Артемовск Донецкой обл. - г.Барвенково Харьковской обл.
Автомобиль: 244
Клубная карта №: 0

Re: Постройка ТТ котла длительного (верхнего) горения

Сообщение ivan@m » Пн дек 22, 2014 10:17 pm

Стас у тебя уже некуда плюсовать... давай подкосяч чуток мы те подрежем репу а потом опять накидаем)))
Аватара пользователя
ivan@m
VIP
VIP
 
Сообщения: 7036
Зарегистрирован: Ср фев 25, 2009 12:49 am
Откуда: Днепропетровск
Автомобиль: LancerX/ Colt
Клубная карта №: 64

Re: Постройка ТТ котла длительного (верхнего) горения

Сообщение idk » Пн дек 22, 2014 10:27 pm

Интересная тема, надо своим знакомым СТОшникам подкинуть (что скажут ?), а то деньги/дрова на ветер.
ivan@m писал(а):Стас у тебя уже некуда плюсовать...

Ну, Брежневу тоже некуда было, а вот выкручивался как-то ).
0бб-75девять-81б9 0б8-12б-9чч9
Аватара пользователя
idk
VIP
VIP
 
Сообщения: 837
Зарегистрирован: Сб мар 15, 2014 9:11 pm
Откуда: Киев
Автомобиль: volvo 850
Клубная карта №: 0

Re: Постройка ТТ котла длительного (верхнего) горения

Сообщение Vladizlav » Пн дек 22, 2014 10:54 pm

Есть поколение людей, которым не нужны "лайки"
:-P
Аватара пользователя
Vladizlav
VIP
VIP
 
Сообщения: 1887
Зарегистрирован: Пн сен 26, 2011 8:15 pm
Откуда: Ивано-Франковск
Автомобиль: Volvo 340 1.6D+Golf4
Клубная карта №: 0

Re: Постройка ТТ котла длительного (верхнего) горения

Сообщение ivan@m » Пн дек 22, 2014 11:44 pm

Vladizlav писал(а):Есть поколение людей, которым не нужны "лайки"
:-P

точно ему нужна овчарка))))
Аватара пользователя
ivan@m
VIP
VIP
 
Сообщения: 7036
Зарегистрирован: Ср фев 25, 2009 12:49 am
Откуда: Днепропетровск
Автомобиль: LancerX/ Colt
Клубная карта №: 64

Re: Постройка ТТ котла длительного (верхнего) горения

Сообщение Stas340 » Вт дек 23, 2014 9:25 am

ivan@m писал(а):
Vladizlav писал(а):Есть поколение людей, которым не нужны "лайки"
:-P

точно ему нужна овчарка))))

))) она уже помогает, отступил от традиции и фото помощницы не сделал, но я ж еще не закончил потому исправлюсь :D
Аватара пользователя
Stas340
VIP
VIP
 
Сообщения: 4868
Зарегистрирован: Ср мар 25, 2009 9:51 am
Откуда: г. Артемовск Донецкой обл. - г.Барвенково Харьковской обл.
Автомобиль: 244
Клубная карта №: 0

Re: Постройка ТТ котла длительного (верхнего) горения

Сообщение Алежон » Вт дек 23, 2014 11:34 am

Из-за таких людей как ты я теперь сварщика буду напрягать что б он переделал мне буржуйку,а то вместо ремонта авто дрова рубашим.
Аватара пользователя
Алежон
VIP
VIP
 
Сообщения: 4930
Зарегистрирован: Вс май 17, 2009 4:56 pm
Откуда: Киев
Автомобиль: 242
Клубная карта №: 0

Re: Постройка ТТ котла длительного (верхнего) горения

Сообщение Stas340 » Пн янв 12, 2015 10:36 am

Продолжаем, точнее заканчиваем.
Вложения
DSC02628.JPG
DSC02629.JPG
DSC02632.JPG
DSC02633.JPG
DSC02634.JPG
DSC02637.JPG
DSC02638.JPG
DSC02639.JPG
DSC02640.JPG
DSC02641.JPG
Аватара пользователя
Stas340
VIP
VIP
 
Сообщения: 4868
Зарегистрирован: Ср мар 25, 2009 9:51 am
Откуда: г. Артемовск Донецкой обл. - г.Барвенково Харьковской обл.
Автомобиль: 244
Клубная карта №: 0

Re: Постройка ТТ котла длительного (верхнего) горения

Сообщение Stas340 » Пн янв 12, 2015 10:40 am

процесс
Вложения
DSC02642.JPG
DSC02643.JPG
DSC02644.JPG
DSC02645.JPG
DSC02647.JPG
DSC02648.JPG
DSC02652.JPG
DSC02653.JPG
DSC02654.JPG
DSC02655.JPG
Аватара пользователя
Stas340
VIP
VIP
 
Сообщения: 4868
Зарегистрирован: Ср мар 25, 2009 9:51 am
Откуда: г. Артемовск Донецкой обл. - г.Барвенково Харьковской обл.
Автомобиль: 244
Клубная карта №: 0

Re: Постройка ТТ котла длительного (верхнего) горения

Сообщение Stas340 » Пн янв 12, 2015 10:54 am

1
Вложения
DSC02656.JPG
регулировка поступающего воздуха, нано технологии епт))))
DSC02658.JPG
герметизируем дверцы асбестовым шнуром и герметиком
DSC02659.JPG
герметизируем дверцы асбестовым шнуром и герметиком
DSC02657.JPG
Ну и собственно готовый к установке котел
DSC02649.JPG
ну и по традиции фото помощницы
DSC02651.JPG
Аватара пользователя
Stas340
VIP
VIP
 
Сообщения: 4868
Зарегистрирован: Ср мар 25, 2009 9:51 am
Откуда: г. Артемовск Донецкой обл. - г.Барвенково Харьковской обл.
Автомобиль: 244
Клубная карта №: 0

Re: Постройка ТТ котла длительного (верхнего) горения

Сообщение Stas340 » Пн янв 12, 2015 11:05 am

Вчера подключил котел к системе отопления, не запускал. не успел смонтировать и закрепить дымоход (180мм) пока будет 3 метра. Ну и загерметизировать дно котла чтобы не подсасывал воздух.
После запуска отпишусь.

Крышку рекуператора (подогрев входящего воздуха) прихватил на несколько точек и промазал герметиком с возможностью вскрыть в дальнейшем, потому как не очень понравился телескоп, трубы стальной 110 мм найти не удалось, а последнюю трубу меньше 60 мм не хотелось бы, потому пришлось брать 91 мм - 76 мм - и 68мм делалась самостоятельно, урезалась два раза и сваривалась ввиду чего получилась не совсем круглая, отсюда и заедания телескопа.

Ну испытания покажут где накосячил, о коих отпишусь.
Аватара пользователя
Stas340
VIP
VIP
 
Сообщения: 4868
Зарегистрирован: Ср мар 25, 2009 9:51 am
Откуда: г. Артемовск Донецкой обл. - г.Барвенково Харьковской обл.
Автомобиль: 244
Клубная карта №: 0

Re: Постройка ТТ котла длительного (верхнего) горения

Сообщение Stas340 » Вт янв 13, 2015 3:37 pm

ГАрЫть )) :drag:
Пробная топка оказалась не совсем удачная, просчитался в подключении получил сопротивление потоков из-за удаленности газового котла от ТТ котла и естественно насос стоит на газовом, а реализовать гидрострелу слишком проблемно, короче слишком много заморочек, в обед перепаял, после работы проведем полную закладку.
ЗЫ пробная закладка на 2/3 объема полутрухлым забором 15 или 20 летней выдержки без покраски (сосна) средней влажности. чтобы котел не закипал, потому как циркуляции не было, пришлось почти полностью перекрыть входящий воздух. Итого в таком режиме закладка тлела 18 часов прогревая котел градусов до 60-65, благо корпус не утеплил и он охлаждался естественным путем потому как стоит не в утепленном помещении.
Аватара пользователя
Stas340
VIP
VIP
 
Сообщения: 4868
Зарегистрирован: Ср мар 25, 2009 9:51 am
Откуда: г. Артемовск Донецкой обл. - г.Барвенково Харьковской обл.
Автомобиль: 244
Клубная карта №: 0

Re: Постройка ТТ котла длительного (верхнего) горения

Сообщение Stas340 » Вт янв 13, 2015 3:55 pm

Кстати посмотрел на нынешнюю цену аналога построенного котла 7 киловатного http://www.energoinvest.com.ua/katalog/ ... va-s7.html
по нынешнему курсу нихрена не интересное приобретение....
Аватара пользователя
Stas340
VIP
VIP
 
Сообщения: 4868
Зарегистрирован: Ср мар 25, 2009 9:51 am
Откуда: г. Артемовск Донецкой обл. - г.Барвенково Харьковской обл.
Автомобиль: 244
Клубная карта №: 0

Re: Постройка ТТ котла длительного (верхнего) горения

Сообщение Stas340 » Ср янв 14, 2015 9:55 am

Заложил уже полностью, опять все тем же полутрухлым сосновым забором)))
Горела эта закладка чуть больше 8 часов в тлеющем режиме (на выходе из котла 60-65 градусов) розжог в 18:20 в 2:00 еще горело оставалось не много но я уже не стал больше вставать и смотреть :Lazy:

Ну и любителям картинок
Вложения
DSC02660.JPG
Заложил дрова, опустил телескоп, вылил рюмку отработки с соляркой положив тряпочку, чтобы меньше гемороится с растопкой
DSC02661.JPG
Поджог
DSC02666.JPG
через 15 минут
DSC02667.JPG
чуть больше часа
DSC02668.JPG
чуть больше часа
DSC02669.JPG
спустя два с половиной часа
DSC02670.JPG
спустя два с половиной часа
Аватара пользователя
Stas340
VIP
VIP
 
Сообщения: 4868
Зарегистрирован: Ср мар 25, 2009 9:51 am
Откуда: г. Артемовск Донецкой обл. - г.Барвенково Харьковской обл.
Автомобиль: 244
Клубная карта №: 0

Re: Постройка ТТ котла длительного (верхнего) горения

Сообщение Vladizlav » Ср янв 14, 2015 10:31 am

Группа безопасности какая-то будет ?
Или хотя-бы датчик т-ры (на перегрев) не помешал бы. И пищалку.
Аватара пользователя
Vladizlav
VIP
VIP
 
Сообщения: 1887
Зарегистрирован: Пн сен 26, 2011 8:15 pm
Откуда: Ивано-Франковск
Автомобиль: Volvo 340 1.6D+Golf4
Клубная карта №: 0

Re: Постройка ТТ котла длительного (верхнего) горения

Сообщение Stas340 » Ср янв 14, 2015 10:52 am

Котел стоит в открытой системе, превышения давления не будет никак, датчик температуры в системе есть но стоит на подаче в другой комнате, вообще закипятить этот котел проблематично ввиду того что у него подача воздуха идет только через одно отверстие, которое если не открывать полностью не даст котлу разогнаться, а если его полностью закрыть то просто перейдет в режим тления с температурой на выходе максимум 50 градусов. Ну и рядом с котлом стоит чугунка на 8 секций подключена с расчетом естественной циркуляции на случай отключения света, как буферная емкость, ну и еще площадь охлаждения самого котла большая, его необходимо утеплять снаружи но этого пока не делаю опять же по соображениям безопасности

Группа безопасности и прочее будет когда вся система отопления будет смонтирована нормальная, а так сейчас пол дома перевел на стальные радиаторы и пластик, а часть дома осталась на чугунке с металлом и естественной циркуляцией, ну и перенести газовый котел в другую комнату чтобы можно было запитать систему через гидрострелу. В общем нужно лето и деньги (куда ж без них))) и все буде так як трЭба ;) и регулятор температурный, и сам датчик, может даже трехходовой клапан если жизнь наладится.

ЗЫ у меня в принципе и газовое потребление не большое и неразорительное. Данный котел строился больше с целью личного удовлетворения (в сарайке продолжает стоять обычный КСТ), и с необходимостью утилизировать отходы всяческие в виде кучищи досок от старого забора, или тонкие веточки и прочее. просто разжечь большой костер как то не рационально, сжигать в обычном котле тоже не интересно, нужно постоянно стоять и там я сожгу все за 2-3 часа то что горело в этом котле 8 часов :?
Аватара пользователя
Stas340
VIP
VIP
 
Сообщения: 4868
Зарегистрирован: Ср мар 25, 2009 9:51 am
Откуда: г. Артемовск Донецкой обл. - г.Барвенково Харьковской обл.
Автомобиль: 244
Клубная карта №: 0

Re: Постройка ТТ котла длительного (верхнего) горения

Сообщение Stas340 » Сб янв 17, 2015 12:11 pm

Заложил дубовыми дровами, правда сыроватыми. В режим котел вошел в 23:00, в 8:00 прогорело около 1/3 от закладки, на улице 0... -1, в доме 21-22, на выходе из котла ночью было 50-55 градусов, утром поднял до 60-65.
В принципе доволен, даже если одной закладки хватит на 24 часа беспрерывного горения можно считать что план удался и обмыть все это дело.

ЗЫ жаль мыльница не передаст всей красоты
Вложения
DSC02680.JPG
DSC02681.JPG
DSC02682.JPG
Аватара пользователя
Stas340
VIP
VIP
 
Сообщения: 4868
Зарегистрирован: Ср мар 25, 2009 9:51 am
Откуда: г. Артемовск Донецкой обл. - г.Барвенково Харьковской обл.
Автомобиль: 244
Клубная карта №: 0

Re: Постройка ТТ котла длительного (верхнего) горения

Сообщение Vladizlav » Сб янв 17, 2015 12:59 pm

Подскажу еще один вид топлива -- опавшие листья. Пробовал спаливать в своем (обычном твердотопливном) котле -- сгорает быстро, но жару дает много.
Аватара пользователя
Vladizlav
VIP
VIP
 
Сообщения: 1887
Зарегистрирован: Пн сен 26, 2011 8:15 pm
Откуда: Ивано-Франковск
Автомобиль: Volvo 340 1.6D+Golf4
Клубная карта №: 0

Re: Постройка ТТ котла длительного (верхнего) горения

Сообщение Stas340 » Сб янв 17, 2015 1:10 pm

Там вопрос с влажностью, острый, если чуть не успел или погода не дала, капЭц, а так да горит хорошо, тоже пробовал :D
еще хороший и почти халявный солома (оплата пресподборщика ну и доставка), в данном котле горит тоже довольно хорошо.
А вообще мы настолько нерациональны и ленивы стали что большинство всего что может дать тепло мы просто выбрасываем или оставляем гнить, а ведь при определенных условиях некоторые виды топлива дадут фору привычным дровам.

ЗЫ британцы делают пеллеты из опавшей листвы, красивое, екологичное и главное ПОЧТИ халявное топливо
Аватара пользователя
Stas340
VIP
VIP
 
Сообщения: 4868
Зарегистрирован: Ср мар 25, 2009 9:51 am
Откуда: г. Артемовск Донецкой обл. - г.Барвенково Харьковской обл.
Автомобиль: 244
Клубная карта №: 0

След.

  • Похожие темы
    Ответы
    Просмотры
    Последнее сообщение

Вернуться в Разное

Кто сейчас на конференции

Сейчас этот форум просматривают: нет зарегистрированных пользователей и гости: 1

cron