Добро пожаловать: гость! Вход | Регистрация Текущее время: Пн апр 20, 2026 1:36 am

Рвет подкосы.

Ужасы произошедшие с деталями автомобиля...

Модераторы: Viking, DrEvil

Рвет подкосы.

Сообщение nocomments » Пн май 17, 2010 9:32 pm

Уже второй за 2 года.Когда купил,что-то лязгало в районе правого переднего колеса.Но ездить можно было.Полез снимать стартер и обнаружил,что подкос без гайки,сайленты убежали и гнездо на кронштейне под подкос уже немного разбито.Поставили сайленты,гайку-километров через 100 порвало.Поставил второй и на днях его постигла участь первого.Сейчас поставил третий 8-) .Какие у кого версии этих загадочных событий?аморт уже при покупке был никакой и лучше ему не стало.Геометрия если и изменена,то некритично.Происходит это так-едешь,вдруг слышен резкий удар под днище,как будто камнем.И усе-подкос порвало,это ж силища какая рвет его по оси.
Вложения
2 передних подкоса.jpg
2 передних подкоса.jpg (11.08 Кб) Просмотров: 7348
2 передних подкоса крупно.jpg
2 передних подкоса крупно.jpg (13.26 Кб) Просмотров: 7348
ЗАПЧАСТИ на 340 ИЗГОТОВЛЕНИЕ НАКЛЕЕК
Аватара пользователя
nocomments
VIP
VIP
 
Сообщения: 898
Зарегистрирован: Сб фев 14, 2009 11:40 pm
Откуда: Николаев
Автомобиль: Вольво 340,В172к
Клубная карта №: 0

Re: Рвет подкосы.

Сообщение ivan@m » Пн май 17, 2010 9:39 pm

мож с развалом надо позаниматся-точнее со схождением.
как машинка ездит? не тянет ли руля?
а сайленты как ся чуствуют?
Аватара пользователя
ivan@m
VIP
VIP
 
Сообщения: 7036
Зарегистрирован: Ср фев 25, 2009 12:49 am
Откуда: Днепропетровск
Автомобиль: LancerX/ Colt
Клубная карта №: 64

Re: Рвет подкосы.

Сообщение nocomments » Пн май 17, 2010 9:46 pm

Да,Иван,это был твой подкос :D.Руль можно спокойно отпускать,машина идет ровно.Схождение,вряд ли.Подкос просто разрывает,часть его с гайкой пулей стреляет по дну..Сайленты?А что с ними должно быть?
ЗАПЧАСТИ на 340 ИЗГОТОВЛЕНИЕ НАКЛЕЕК
Аватара пользователя
nocomments
VIP
VIP
 
Сообщения: 898
Зарегистрирован: Сб фев 14, 2009 11:40 pm
Откуда: Николаев
Автомобиль: Вольво 340,В172к
Клубная карта №: 0

Re: Рвет подкосы.

Сообщение ivan@m » Пн май 17, 2010 9:49 pm

мда.ну мож сайленты разбитые и рычаг гуляет и рвет подкос.
хотя хз. :o :o
а мож ты силен в руках и так затягиваешь что подтягиваешь резьбовую часть.??
Аватара пользователя
ivan@m
VIP
VIP
 
Сообщения: 7036
Зарегистрирован: Ср фев 25, 2009 12:49 am
Откуда: Днепропетровск
Автомобиль: LancerX/ Colt
Клубная карта №: 64

Re: Рвет подкосы.

Сообщение nocomments » Пн май 17, 2010 9:57 pm

ivan@m писал(а):мда.ну мож сайленты разбитые и рычаг гуляет и рвет подкос.
хотя хз. :o :o
а мож ты силен в руках и так затягиваешь что подтягиваешь резьбовую часть.??

Одному поставить подкос нереально.Установка происходит так-один в яме-ставит сайленты,крутит гайку,второй поджимает ломиком колесо,иначе не затянуть гайку.Причем было уже 2 варианта-первые два раза машина поддомкрачена,последний раз-нет.По затяжке гайки свободный участок резьбы такой же,как и на другом подкосе.Конечно подкос под натягом,а разве может быть по-другому?Разве что попробовать второй подкос снять и оценить степень натяга?
ЗАПЧАСТИ на 340 ИЗГОТОВЛЕНИЕ НАКЛЕЕК
Аватара пользователя
nocomments
VIP
VIP
 
Сообщения: 898
Зарегистрирован: Сб фев 14, 2009 11:40 pm
Откуда: Николаев
Автомобиль: Вольво 340,В172к
Клубная карта №: 0

Re: Рвет подкосы.

Сообщение ivan@m » Пн май 17, 2010 10:03 pm

снимал и ставил сам без проблем. один раз лопалость крепление(само ухо) подварил поставил назад,подкос без проблем.
сначала прикручивал к сайлентам его потом к рычагу.
Аватара пользователя
ivan@m
VIP
VIP
 
Сообщения: 7036
Зарегистрирован: Ср фев 25, 2009 12:49 am
Откуда: Днепропетровск
Автомобиль: LancerX/ Colt
Клубная карта №: 64

Re: Рвет подкосы.

Сообщение nocomments » Пн май 17, 2010 10:09 pm

ivan@m писал(а):снимал и ставил сам без проблем. один раз лопалость крепление(само ухо) подварил поставил назад,подкос без проблем.
сначала прикручивал к сайлентам его потом к рычагу.

Сам?Вот с этого места поподробнее пожалуйста!Т.е ставил сайленты и прикручивал к креплению-кронштейну,а потом вставлял болты в рычаг?И без ломика?Чувствую и третий порвет :(
ЗАПЧАСТИ на 340 ИЗГОТОВЛЕНИЕ НАКЛЕЕК
Аватара пользователя
nocomments
VIP
VIP
 
Сообщения: 898
Зарегистрирован: Сб фев 14, 2009 11:40 pm
Откуда: Николаев
Автомобиль: Вольво 340,В172к
Клубная карта №: 0

Re: Рвет подкосы.

Сообщение ivan@m » Пн май 17, 2010 10:20 pm

ну как бы усилия были.но рычаг от стойки отсоединен был.шаровая откручена.
Аватара пользователя
ivan@m
VIP
VIP
 
Сообщения: 7036
Зарегистрирован: Ср фев 25, 2009 12:49 am
Откуда: Днепропетровск
Автомобиль: LancerX/ Colt
Клубная карта №: 64

Re: Рвет подкосы.

Сообщение Stas340 » Вт май 18, 2010 8:08 am

ivan@m писал(а):снимал и ставил сам без проблем. один раз лопалость крепление(само ухо) подварил поставил назад,подкос без проблем.
сначала прикручивал к сайлентам его потом к рычагу.

+1 тоже ставил сам. Тоже без стойки, небольшим усилием руки рычаг возвращался в исходное без проблем, ну а если ломиком то скорее всего чего-то подогнуто или хз.
А если были бы разбиты сайленты рычаг вообще должен вообще поджиматься от руки (при разбитых сайлентах рычаг болтается как кисель), может конечно еще и пружина давить на рычаг и отжимать его, а балка визуально не подогнута, может дефекты какие на рычагах???
Поменяю седан 244 на сарайку 245
Аватара пользователя
Stas340
VIP
VIP
 
Сообщения: 4868
Зарегистрирован: Ср мар 25, 2009 9:51 am
Откуда: г. Артемовск Донецкой обл. - г.Барвенково Харьковской обл.
Автомобиль: 244
Клубная карта №: 0

Re: Рвет подкосы.

Сообщение nocomments » Вт май 18, 2010 9:31 pm

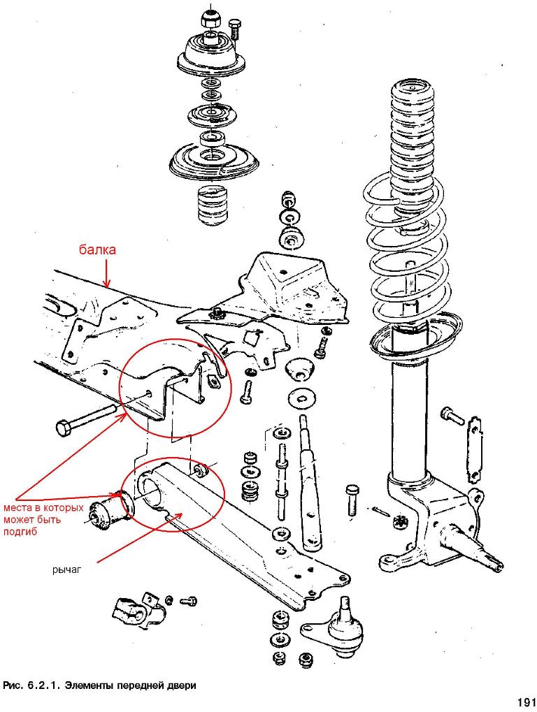
Стас,ты что понимаешь под рычагом?В мануале тот "подкос" называют еще "продольный балансир" и "передняя штанга",короче не соскучишься.Я вообще эту штуку называл раньше тягой :? .Балка это то,что на стр.7 мануала обозначено под номером 15 и называется "поперечина"?Вот еще одна фотка,то,что было после покупки-подозрительно много шайб накрутили,а гайки и сайлента с другой стороны уже нет-убежали.
Вложения
Сайлент на правом колесе-шайбы1.jpg
(94.51 Кб) Скачиваний: 553
ЗАПЧАСТИ на 340 ИЗГОТОВЛЕНИЕ НАКЛЕЕК
Аватара пользователя
nocomments
VIP
VIP
 
Сообщения: 898
Зарегистрирован: Сб фев 14, 2009 11:40 pm
Откуда: Николаев
Автомобиль: Вольво 340,В172к
Клубная карта №: 0

Re: Рвет подкосы.

Сообщение Alexzoolog » Вт май 18, 2010 9:43 pm

а если ее заказать токарю и шпильку с резьбой потолще? эдак на М12
это ж обычная железяка с двумя дырками с одной стороны и резьбой с другой
Аватара пользователя
Alexzoolog
VIP
VIP
 
Сообщения: 798
Зарегистрирован: Чт янв 01, 1970 3:00 am
Откуда: Евпатория
Автомобиль: ИЖ-49, 1951 год
Клубная карта №: 0

Re: Рвет подкосы.

Сообщение ivan@m » Вт май 18, 2010 10:00 pm

ну дак там и так вроде резьба не малая. а так порвет в другом месте.
Аватара пользователя
ivan@m
VIP
VIP
 
Сообщения: 7036
Зарегистрирован: Ср фев 25, 2009 12:49 am
Откуда: Днепропетровск
Автомобиль: LancerX/ Colt
Клубная карта №: 64

Re: Рвет подкосы.

Сообщение nocomments » Вт май 18, 2010 10:19 pm

Тут один гуру из гаражей,который помогал мне ставить 3 подкос,советовал наварить болт,говорит металл старый-вот и рвет.Где копать примерно ясно,какая-то геометрия все-таки нарушена,ведь на подкосе на левом колесе металл тоже не новый,но там не рвет.И ломик немного смущать стал,после всего вышеизложенного.
ЗАПЧАСТИ на 340 ИЗГОТОВЛЕНИЕ НАКЛЕЕК
Аватара пользователя
nocomments
VIP
VIP
 
Сообщения: 898
Зарегистрирован: Сб фев 14, 2009 11:40 pm
Откуда: Николаев
Автомобиль: Вольво 340,В172к
Клубная карта №: 0

Re: Рвет подкосы.

Сообщение Stas340 » Ср май 19, 2010 8:21 am

Как по мне нужно внимательно осмотреть все крепежные точки балки к кузову, место крепления рычага к балке и балку где крепится рычаг однозначно где то косяк.
Иван прав, сколько не нарезай а рвать все равно будет. Володь попробуй простой рулеткой замерять расстояние на рычагах правом и левом между рычагом и тем же лонжероном или поперечным усилителем, может он ровно стоит а закосячен сам кронштейн к которому прикручивается подкос.
А когда откручен подкос рычаг относительно балки стоит ровно или отклонен?
И еще - а резину не ест?
Вложения
10190.jpg
Поменяю седан 244 на сарайку 245
Аватара пользователя
Stas340
VIP
VIP
 
Сообщения: 4868
Зарегистрирован: Ср мар 25, 2009 9:51 am
Откуда: г. Артемовск Донецкой обл. - г.Барвенково Харьковской обл.
Автомобиль: 244
Клубная карта №: 0

Re: Рвет подкосы.

Сообщение ivan@m » Ср май 19, 2010 1:59 pm

может еще на пружинки помотреть? мож сильно жесткие и отбивают рычаг вниз а за ним и подкос.
Аватара пользователя
ivan@m
VIP
VIP
 
Сообщения: 7036
Зарегистрирован: Ср фев 25, 2009 12:49 am
Откуда: Днепропетровск
Автомобиль: LancerX/ Colt
Клубная карта №: 64

Re: Рвет подкосы.

Сообщение nocomments » Ср май 19, 2010 10:11 pm

Спасибо друзья! :frends: Пружина вряд ли-подкос просто ломался бы,а тут его разрывает и конечная его часть с гайкой с силой бьет по днищу,значит в нем очень большие внутренние напряжения.Буду смотреть те зоны,которые Стас указал,но блин,на яме в моем гараже сейчас донор стоит,а он не на ходу.Перед установкой последнего подкоса,мерял расстояние от отверстия в лонжероне до отверстия в рычаге под болт подкоса,получалась разница 3 или 4 см.После установки подкоса расстояния одинаковые.Резину ест одинаково,точнее одинаково не ест,т.к.в основном ест на правом заднем.
ЗАПЧАСТИ на 340 ИЗГОТОВЛЕНИЕ НАКЛЕЕК
Аватара пользователя
nocomments
VIP
VIP
 
Сообщения: 898
Зарегистрирован: Сб фев 14, 2009 11:40 pm
Откуда: Николаев
Автомобиль: Вольво 340,В172к
Клубная карта №: 0

Re: Рвет подкосы.

Сообщение Stas340 » Чт май 20, 2010 7:51 am

nocomments писал(а):мерял расстояние от отверстия в лонжероне до отверстия в рычаге под болт подкоса,получалась разница 3 или 4 см.

Это много, и почти в самый раз по количеству наложенных шайб.

nocomments писал(а):т.к.в основном ест на правом заднем.

Скорее всего вырвало направляющую трубку и раздолбало крепеж на лонжероне там где крепиться тяга задней балки, у нашей подвески вся загадка и более-менее мягкость заключается в том что работает две части рессоры поскольку серьги стоят на двух краях и работает обе части рессоры, на Волге например работает в основном только задняя часть и за счет почти жесткого крепежа передней части мост держится без дополнительных тяг. Кстати а когда назад сдаешь машина плавно едет или есть маленькие толчки?
Поменяю седан 244 на сарайку 245
Аватара пользователя
Stas340
VIP
VIP
 
Сообщения: 4868
Зарегистрирован: Ср мар 25, 2009 9:51 am
Откуда: г. Артемовск Донецкой обл. - г.Барвенково Харьковской обл.
Автомобиль: 244
Клубная карта №: 0

Re: Рвет подкосы.

Сообщение nocomments » Чт май 20, 2010 10:14 pm

Stas340 писал(а):Это много, и почти в самый раз по количеству наложенных шайб.

Вообще-то шайбы были наложены еще старым хозяином(сейчас их нет) и непонятно зачем,там и так мне поджимать ломиком колесо приходилось,чтобы подкос поставить.Или может он сайлент не ставил с обратной стороны кронштейна,а так,гайку наживил,да и все,чтобы продать,а потом она открутилась.
Stas340 писал(а): Кстати а когда назад сдаешь машина плавно едет или есть маленькие толчки?

Надо понаблюдать.Вперед не буксовал,а вот назад было и такое впечатление,что крутит только правое заднее,поэтому,я так понял и резину ест.А на земле только с правой стороны оставались черные следы от резины.
ЗАПЧАСТИ на 340 ИЗГОТОВЛЕНИЕ НАКЛЕЕК
Аватара пользователя
nocomments
VIP
VIP
 
Сообщения: 898
Зарегистрирован: Сб фев 14, 2009 11:40 pm
Откуда: Николаев
Автомобиль: Вольво 340,В172к
Клубная карта №: 0

Re: Рвет подкосы.

Сообщение ARTYHA » Пт май 21, 2010 8:30 pm

вообще-то так работает дифференциал ))))
09776ноль9029 093534один400 Артёмка. Занимаюсь системами безопасности, а так же ремонтом автоэлектрики, электроники: Блоки АБС, Приборные панели, климат-контроли, приборы управления и прочая электронная дребидень. шумоизоляция, автозвук. установка ГБО.
Аватара пользователя
ARTYHA
VIP
VIP
 
Сообщения: 3560
Зарегистрирован: Пн мар 23, 2009 12:42 am
Откуда: Киев
Автомобиль: 850Т5
Клубная карта №: 16

Re: Рвет подкосы.

Сообщение nocomments » Пт май 21, 2010 9:03 pm

Спасибо,буду знать,думал,что всегда крутят два колеса.
ЗАПЧАСТИ на 340 ИЗГОТОВЛЕНИЕ НАКЛЕЕК
Аватара пользователя
nocomments
VIP
VIP
 
Сообщения: 898
Зарегистрирован: Сб фев 14, 2009 11:40 pm
Откуда: Николаев
Автомобиль: Вольво 340,В172к
Клубная карта №: 0


  • Похожие темы
    Ответы
    Просмотры
    Последнее сообщение

Вернуться в Кунсткамера Вольво Клуба

Кто сейчас на конференции

Сейчас этот форум просматривают: нет зарегистрированных пользователей и гости: 0

cron