Добро пожаловать: гость! Вход | Регистрация Текущее время: Вт апр 21, 2026 11:34 am

проблема с Volvo CR-708

Генератор, стартер, реле, предохранители, проводка и прочая электрика

Модераторы: Viking, DrEvil

проблема с Volvo CR-708

Сообщение Андрей-Volvo » Вт июл 23, 2013 10:06 pm

Так вообщем я подключил сей девайс..но возникла проблема .... мафон подключён вот так:
1.динамик +
2.динамик-
3.динамик +
4.динамик-
5. --- неизвестно
6.подсветка кнопок
7.- неизвестно
8.неизвестно
9. постоянный +
10.масса
11.от замка +
12.на антенну
13.неизвестно
14.неизвестно
теперь суть проблемы такая, когда включаю мафончик шипение идёт причём очень качественно, но горит подсветка дисплея а сам экран не показывает) Странно то что такое чувство как будто магнитола находиться в режиме поиска станций(время от времени попадаются волны (играет качественно , но мало где то 1-3 сек. не более)) В чём может быть проблема ? может что то не туда подключил ?
Последний раз редактировалось Андрей-Volvo Сб авг 03, 2013 12:12 am, всего редактировалось 1 раз.
Изображение
VOLVO and only VOLVO
Андрей г.Кривой рог +380972546684 или +380988977206 ну или +380663429267
Аватара пользователя
Андрей-Volvo
VIP
VIP
 
Сообщения: 741
Зарегистрирован: Пн май 09, 2011 6:25 pm
Откуда: Кривой Рог
Автомобиль: 745 TD
Клубная карта №: 0

Re: Нужна помощь в подключении мафона Volvo CR-708

Сообщение Алежон » Вт июл 23, 2013 10:18 pm

http://www.tehnomagazin.com/Auto-radio- ... nector.htm глянь тут даже если ее нет сравни по разъемам если похожи она на базе алпайна можешь подкючать по 6 серии,ну или здесь http://www.autoelectric.ru/audio/connec ... ectors.htm мне обычно этого хватало
Аватара пользователя
Алежон
VIP
VIP
 
Сообщения: 4930
Зарегистрирован: Вс май 17, 2009 4:56 pm
Откуда: Киев
Автомобиль: 242
Клубная карта №: 0

Re: Нужна помощь в подключении мафона Volvo CR-708

Сообщение Андрей-Volvo » Вт июл 23, 2013 10:55 pm

Я не могу разобраться в ножках)
Изображение
VOLVO and only VOLVO
Андрей г.Кривой рог +380972546684 или +380988977206 ну или +380663429267
Аватара пользователя
Андрей-Volvo
VIP
VIP
 
Сообщения: 741
Зарегистрирован: Пн май 09, 2011 6:25 pm
Откуда: Кривой Рог
Автомобиль: 745 TD
Клубная карта №: 0

Re: Нужна помощь в подключении мафона Volvo CR-708

Сообщение Алежон » Вт июл 23, 2013 10:57 pm

Андрей-Volvo писал(а):Я не могу разобраться в ножках)

Любой мужик обязан! разбираться в ножках и в сиськах.
Аватара пользователя
Алежон
VIP
VIP
 
Сообщения: 4930
Зарегистрирован: Вс май 17, 2009 4:56 pm
Откуда: Киев
Автомобиль: 242
Клубная карта №: 0

Re: Нужна помощь в подключении мафона Volvo CR-708

Сообщение Андрей-Volvo » Вт июл 23, 2013 10:58 pm

Алежон писал(а):
Андрей-Volvo писал(а):Я не могу разобраться в ножках)

Любой мужик обязан! разбираться в ножках и в сиськах.

:-D :-D
А если серьёзно то как подключить ? там просто у SC 710 - SC 810 - SC 811 - SC 813 - SC 816 - SC 900 - CR 905 или VOLVO CT-503 или VOLVO CR-603, CR-606 они отличаются от Cr-708
Изображение
VOLVO and only VOLVO
Андрей г.Кривой рог +380972546684 или +380988977206 ну или +380663429267
Аватара пользователя
Андрей-Volvo
VIP
VIP
 
Сообщения: 741
Зарегистрирован: Пн май 09, 2011 6:25 pm
Откуда: Кривой Рог
Автомобиль: 745 TD
Клубная карта №: 0

Re: Нужна помощь в подключении мафона Volvo CR-708

Сообщение ARTYHA » Ср июл 24, 2013 1:46 am

вскрываешь гамнитофон, и смотришь куда ведут дорожки!
4 к микрухе - это выходы аудио
2 ко входному фильтру-конденсатору через диод это питалово
и так дальше........
учите радиоэлектронику, Сэр!))))
09776ноль9029 093534один400 Артёмка. Занимаюсь системами безопасности, а так же ремонтом автоэлектрики, электроники: Блоки АБС, Приборные панели, климат-контроли, приборы управления и прочая электронная дребидень. шумоизоляция, автозвук. установка ГБО.
Аватара пользователя
ARTYHA
VIP
VIP
 
Сообщения: 3560
Зарегистрирован: Пн мар 23, 2009 12:42 am
Откуда: Киев
Автомобиль: 850Т5
Клубная карта №: 16

Re: Нужна помощь в подключении мафона Volvo CR-708

Сообщение Андрей-Volvo » Ср июл 24, 2013 4:43 pm

Я подключил ... но появилась проблема: когда я включаю магнитолу загорается подсветка экрана но сам экран ничего не показывает .. :sad: :sad: а звук то идёт. Что может быть ? Даже не загоралась команда для в ведения кода _)
Изображение
VOLVO and only VOLVO
Андрей г.Кривой рог +380972546684 или +380988977206 ну или +380663429267
Аватара пользователя
Андрей-Volvo
VIP
VIP
 
Сообщения: 741
Зарегистрирован: Пн май 09, 2011 6:25 pm
Откуда: Кривой Рог
Автомобиль: 745 TD
Клубная карта №: 0

Re: Нужна помощь в подключении мафона Volvo CR-708

Сообщение ARTYHA » Сб авг 03, 2013 12:13 am

значит там либо неисправность, либо еще где-то должен быть питающий провод еще один.
в старых магнитолах такое бывало.
09776ноль9029 093534один400 Артёмка. Занимаюсь системами безопасности, а так же ремонтом автоэлектрики, электроники: Блоки АБС, Приборные панели, климат-контроли, приборы управления и прочая электронная дребидень. шумоизоляция, автозвук. установка ГБО.
Аватара пользователя
ARTYHA
VIP
VIP
 
Сообщения: 3560
Зарегистрирован: Пн мар 23, 2009 12:42 am
Откуда: Киев
Автомобиль: 850Т5
Клубная карта №: 16

Re: проблема с Volvo CR-708

Сообщение Андрей-Volvo » Вс авг 04, 2013 12:23 pm

кто мне поможет ?
Изображение
VOLVO and only VOLVO
Андрей г.Кривой рог +380972546684 или +380988977206 ну или +380663429267
Аватара пользователя
Андрей-Volvo
VIP
VIP
 
Сообщения: 741
Зарегистрирован: Пн май 09, 2011 6:25 pm
Откуда: Кривой Рог
Автомобиль: 745 TD
Клубная карта №: 0

Re: проблема с Volvo CR-708

Сообщение Timosha » Пн авг 05, 2013 1:26 pm

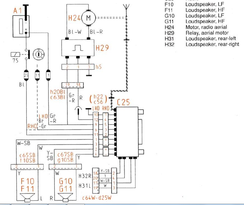
Если учесть что мафон ставился на 850, то можно глянуть схему проводки, на схеме идет 3 провода питания покажи как выглядит разъем.
Вложения
radio.jpg
radio2.jpg
Timosha
VIP
VIP
 
Сообщения: 114
Зарегистрирован: Пн ноя 28, 2011 10:59 am
Откуда: Львов
Автомобиль: ниссан 2,0 dci
Клубная карта №: 0

Re: проблема с Volvo CR-708

Сообщение bober » Вт авг 06, 2013 9:51 pm

Андрей-Volvo писал(а):кто мне поможет ?

грамотный электрик :P
машина не женщина - может и отказать
Аватара пользователя
bober
VIP
VIP
 
Сообщения: 1277
Зарегистрирован: Вс сен 11, 2011 2:09 pm
Откуда: Черноморск
Автомобиль: Volvo 740D
Клубная карта №: 0

Re: проблема с Volvo CR-708

Сообщение Андрей-Volvo » Ср авг 07, 2013 9:10 pm

bober писал(а):
Андрей-Volvo писал(а):кто мне поможет ?

грамотный электрик :P

ну с маговской начинкой не когда не работал) 8-)
Изображение
VOLVO and only VOLVO
Андрей г.Кривой рог +380972546684 или +380988977206 ну или +380663429267
Аватара пользователя
Андрей-Volvo
VIP
VIP
 
Сообщения: 741
Зарегистрирован: Пн май 09, 2011 6:25 pm
Откуда: Кривой Рог
Автомобиль: 745 TD
Клубная карта №: 0

Re: проблема с Volvo CR-708

Сообщение Андрей-Volvo » Ср авг 07, 2013 9:58 pm

Timosha писал(а):Если учесть что мафон ставился на 850, то можно глянуть схему проводки, на схеме идет 3 провода питания покажи как выглядит разъем.
Вложения
153870583_1-volvo-autoradio-cr-708.jpg
Изображение
VOLVO and only VOLVO
Андрей г.Кривой рог +380972546684 или +380988977206 ну или +380663429267
Аватара пользователя
Андрей-Volvo
VIP
VIP
 
Сообщения: 741
Зарегистрирован: Пн май 09, 2011 6:25 pm
Откуда: Кривой Рог
Автомобиль: 745 TD
Клубная карта №: 0

Re: проблема с Volvo CR-708

Сообщение Timosha » Чт авг 08, 2013 9:20 am

Судя по разъему это VOLVO CR-603
Вложения
volvo cr-603.jpg
volvo cr-603.jpg (67.02 Кб) Просмотров: 5393
Timosha
VIP
VIP
 
Сообщения: 114
Зарегистрирован: Пн ноя 28, 2011 10:59 am
Откуда: Львов
Автомобиль: ниссан 2,0 dci
Клубная карта №: 0

Re: проблема с Volvo CR-708

Сообщение Андрей-Volvo » Чт авг 08, 2013 10:21 pm

Timosha писал(а):Судя по разъему это VOLVO CR-603

ага только как то маловато .. проводов должно быть подключено )_ у меня еще на 12 + вот так
просто я думаю что где-то еще спрятан выход под + )
Изображение
VOLVO and only VOLVO
Андрей г.Кривой рог +380972546684 или +380988977206 ну или +380663429267
Аватара пользователя
Андрей-Volvo
VIP
VIP
 
Сообщения: 741
Зарегистрирован: Пн май 09, 2011 6:25 pm
Откуда: Кривой Рог
Автомобиль: 745 TD
Клубная карта №: 0

Re: проблема с Volvo CR-708

Сообщение Timosha » Пт авг 09, 2013 8:48 am

На ресурсе http://www.dumontservice.com.ar/conectores.html перевод google ( VolvoCR-603 - CR-606 - CR-608 - CR-708 - CR-718 - CR-814 (12 и 13 +12 V.[/size]) (неполный) CR-901 (12 +12 В постоянного.) (13 +12 В. аксессуары) (7 +12 V выход.) (2 точки соприкосновения и каждый динамик (-) (1 правый динамик) (8 левого динамика)

если смотреть схему от 480, то там нумерация конектора идет по другому, и питание идет на 6 и 11, или по верхней схеме 3 и 13.

В общем получается что идет 3 плюса , два постоянно один с ключа, 3, 12,13 коннектор (верхняя схема), или тестер в руки и смотреть куда идет.
Вложения
CR708backpanel.jpg
P1010662.jpg
con480.jpg
con480.jpg (25.7 Кб) Просмотров: 5376
con480_1.jpg
Последний раз редактировалось Timosha Пт авг 09, 2013 9:52 am, всего редактировалось 5 раз(а).
Timosha
VIP
VIP
 
Сообщения: 114
Зарегистрирован: Пн ноя 28, 2011 10:59 am
Откуда: Львов
Автомобиль: ниссан 2,0 dci
Клубная карта №: 0

Re: проблема с Volvo CR-708

Сообщение Timosha » Пт авг 09, 2013 9:15 am

ссылка на раскодировку http://www.dndservices.co.uk/e-code-volvo-cr708.html
Вложения
code.jpg
code.jpg (58.54 Кб) Просмотров: 5378
Timosha
VIP
VIP
 
Сообщения: 114
Зарегистрирован: Пн ноя 28, 2011 10:59 am
Откуда: Львов
Автомобиль: ниссан 2,0 dci
Клубная карта №: 0

Re: проблема с Volvo CR-708

Сообщение Андрей-Volvo » Пт авг 09, 2013 10:12 am

Timosha писал(а):ссылка на раскодировку http://www.dndservices.co.uk/e-code-volvo-cr708.html

Спасибо) буду сегодня проверять.... а пароль у меня есть от магнитолы)
Изображение
VOLVO and only VOLVO
Андрей г.Кривой рог +380972546684 или +380988977206 ну или +380663429267
Аватара пользователя
Андрей-Volvo
VIP
VIP
 
Сообщения: 741
Зарегистрирован: Пн май 09, 2011 6:25 pm
Откуда: Кривой Рог
Автомобиль: 745 TD
Клубная карта №: 0


Вернуться в Электрическая часть

Кто сейчас на конференции

Сейчас этот форум просматривают: нет зарегистрированных пользователей и гости: 1

cron