Добро пожаловать: гость! Вход | Регистрация Текущее время: Сб апр 18, 2026 6:51 pm

Стойка передняя на 850

Колеса, шины, тормоза, аммортизаторы, рулевое управление и прочее

Модераторы: Viking, DrEvil

Стойка передняя на 850

Сообщение Diringer » Вс ноя 06, 2011 7:29 pm

Начну слегка флудную тему...
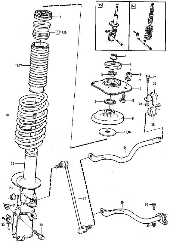
Планирую замену передних стоек со всеми потрохами. Но, т.к. в разобранном состоянии весь конструктив видел только на картинке, не совсем точно понимаю, что подлежит обязательной замене, а что нет. Поэтому прошу консультации (помощи, совета) у уважаемого сообщества: что именно из нижеприведенных деталей необходимо заменить и, желательно, на какие аналоги?
Вот Вадисовская картинка:
Стойка2.jpg
Аватара пользователя
Diringer
VIP
VIP
 
Сообщения: 1018
Зарегистрирован: Сб окт 24, 2009 3:52 pm
Откуда: Харьков
Автомобиль: Volvo 850 GL 1993г.
Клубная карта №: 0

Re: Стойка передняя на 850

Сообщение Diringer » Вс ноя 06, 2011 7:38 pm

Тут буду записывать номер из картинки, оригинальный номер и номер аналога запчасти, которую, по моему мнению нужно менять. Список планирую изменять по мере развития темы. Итак:
а) 19 - Амортизатор 3546835 (их там много, черт ногу сломит, какой правильный). Планирую: Sachs 553068;
б) 4 - Подшипник амортизатора (опорный) 3546189. Планирую Sachs 802107;
в) 13 - Опора амортизатора 9151607. Аналогов не нашел.
г) 10 - Отбойник амортизатора 9169026
д) 12 - Гофра 9140068
З.Ы. Пыльник с отбойником продаются комплектом. Например Monroe PK004, сразу пара...
Аватара пользователя
Diringer
VIP
VIP
 
Сообщения: 1018
Зарегистрирован: Сб окт 24, 2009 3:52 pm
Откуда: Харьков
Автомобиль: Volvo 850 GL 1993г.
Клубная карта №: 0

Re: Стойка передняя на 850

Сообщение alexnax » Вс ноя 06, 2011 10:11 pm

Ну вот всё что ты написал и подлежит замене, кроме разве что пункта в) если что знающие поправят :D
Александр. Кроме Volvo в жизни есть много хорошего...
...но лучше нет ничего!!)))
Аватара пользователя
alexnax
VIP
VIP
 
Сообщения: 2231
Зарегистрирован: Вс май 08, 2011 1:35 pm
Откуда: г.Горловка East Side
Автомобиль: Tour

Re: Стойка передняя на 850

Сообщение Diringer » Пн ноя 07, 2011 10:30 pm

Вот и мне тоже интересно, что это за деталь № 13 - Опора амортизатора 9151607. У меня её, кажется, сейчас вообще не стоит...
Аватара пользователя
Diringer
VIP
VIP
 
Сообщения: 1018
Зарегистрирован: Сб окт 24, 2009 3:52 pm
Откуда: Харьков
Автомобиль: Volvo 850 GL 1993г.
Клубная карта №: 0

Re: Стойка передняя на 850

Сообщение Serij » Пн ноя 07, 2011 10:37 pm

В опору вроде вставляется опорный подшипник. Так что она должна быть. поправьте, если не прав.
Изображение
Аватара пользователя
Serij
VIP
VIP
 
Сообщения: 1369
Зарегистрирован: Вт апр 05, 2011 5:22 pm
Откуда: Новомосковск - Днепропетровск
Автомобиль: Volvo 340 1.4 GL, 89
Клубная карта №: 0

Re: Стойка передняя на 850

Сообщение ivan@m » Пн ноя 07, 2011 10:43 pm

блин я у себя разбирал ,но забыл уже. помню что вверху куча всяких резиночек .
Аватара пользователя
ivan@m
VIP
VIP
 
Сообщения: 7036
Зарегистрирован: Ср фев 25, 2009 12:49 am
Откуда: Днепропетровск
Автомобиль: LancerX/ Colt
Клубная карта №: 64

Re: Стойка передняя на 850

Сообщение Diringer » Пн ноя 07, 2011 10:45 pm

Serij писал(а):В опору вроде вставляется опорный подшипник. Так что она должна быть. поправьте, если не прав.

Ну так подшипник - это деталь номер 4, как я понял. Или я не прав?
Аватара пользователя
Diringer
VIP
VIP
 
Сообщения: 1018
Зарегистрирован: Сб окт 24, 2009 3:52 pm
Откуда: Харьков
Автомобиль: Volvo 850 GL 1993г.
Клубная карта №: 0

Re: Стойка передняя на 850

Сообщение Serij » Пн ноя 07, 2011 11:10 pm

Diringer писал(а):
Serij писал(а):В опору вроде вставляется опорный подшипник. Так что она должна быть. поправьте, если не прав.

Ну так подшипник - это деталь номер 4, как я понял. Или я не прав?


Все верно, он самый.
Изображение
Аватара пользователя
Serij
VIP
VIP
 
Сообщения: 1369
Зарегистрирован: Вт апр 05, 2011 5:22 pm
Откуда: Новомосковск - Днепропетровск
Автомобиль: Volvo 340 1.4 GL, 89
Клубная карта №: 0

Re: Стойка передняя на 850

Сообщение Prijik » Вт ноя 15, 2011 12:44 am

Diringer писал(а):Тут буду записывать номер из картинки, оригинальный номер и номер аналога запчасти, которую, по моему мнению нужно менять. Список планирую изменять по мере развития темы. Итак:
а) 19 - Амортизатор 3546835 (их там много, черт ногу сломит, какой правильный). Планирую: Sachs 553068;
б) 4 - Подшипник амортизатора (опорный) 3546189. Планирую Sachs 802107;
в) 13 - Опора амортизатора 9151607. Аналогов не нашел.
г) 10 - Отбойник амортизатора 9169026
д) 12 - Гофра 9140068
З.Ы. Пыльник с отбойником продаются комплектом. Например Monroe PK004, сразу пара...


а) с амортизатором правильный выбор,Сакс хорошие амортизаторы делает.
б) подшипники сам Сакс не производит,по этому сложно предугадать что будет в упаковке. А лидеры в производстве подшипников,такие фирмы как SNR/TNT и SKF,но только в том случае если это не подделка,что у нас на каждом шагу представлено.
в) Опора не дорога в оригинале,так что можно и нужно ставить в оригинале.
г)оригинал
д)оригинал
Пыльник и отбойник Монро,вполне хорошо,лишь бы не польский.
Аватара пользователя
Prijik
VIP
VIP
 
Сообщения: 137
Зарегистрирован: Сб окт 29, 2011 6:30 pm
Откуда: Киев
Автомобиль: Citroen C5 X7
Клубная карта №: 0

Re: Стойка передняя на 850

Сообщение Diringer » Вт ноя 15, 2011 1:37 pm

Переобуваясь в зиму еще раз внимательно осмотрел стойки. Детали "в) 13 - Опора амортизатора 9151607" у себя не обнаружил :o . Сразу над отбойником стальная шайба а дальше деталь №8.
Вопрос: может ли деталь №13 быть утоплена в деталь №8 или её должно быть четко видно сразу над отбойником?
З.Ы. Как я понял, деталь №13 - Опора амортизатора, это хитрофасонная резинка. Или нет?
Аватара пользователя
Diringer
VIP
VIP
 
Сообщения: 1018
Зарегистрирован: Сб окт 24, 2009 3:52 pm
Откуда: Харьков
Автомобиль: Volvo 850 GL 1993г.
Клубная карта №: 0

Re: Стойка передняя на 850

Сообщение seer_777 » Вс дек 02, 2012 6:29 pm

Diringer писал(а):Переобуваясь в зиму еще раз внимательно осмотрел стойки. Детали "в) 13 - Опора амортизатора 9151607" у себя не обнаружил :o . Сразу над отбойником стальная шайба а дальше деталь №8.
Вопрос: может ли деталь №13 быть утоплена в деталь №8 или её должно быть четко видно сразу над отбойником?
З.Ы. Как я понял, деталь №13 - Опора амортизатора, это хитрофасонная резинка. Или нет?



у мня деталь 13 тоже отсутствует, и когда заказывал себе опору пружины д.8,спрашивал у продавца, так он сказал, что да,
на картинке 13 есть, однако, по номеру запчасти нет, а у аналогов тем боле. вроде как то так ...
и деталь 14 мешьше в диаметре в живую.
Любишь кататься? Люби и катайся!
Аватара пользователя
seer_777
VIP
VIP
 
Сообщения: 874
Зарегистрирован: Ср окт 17, 2012 5:02 pm
Автомобиль: Volvo S70 Т5
Клубная карта №: 0

Re: Стойка передняя на 850

Сообщение Diringer » Вс дек 02, 2012 7:41 pm

Уже разобрался, кажись: деталь №13 - дистанционная шайба, с пом. которой регулируется высота передней подвески. Взял на Экзисте пару ... но до передней подвески так до сих пор и не долез :o
Аватара пользователя
Diringer
VIP
VIP
 
Сообщения: 1018
Зарегистрирован: Сб окт 24, 2009 3:52 pm
Откуда: Харьков
Автомобиль: Volvo 850 GL 1993г.
Клубная карта №: 0

Re: Стойка передняя на 850

Сообщение SerGioT5 » Вс дек 02, 2012 9:26 pm

жесть) там же все так просто :-P
SerGioT5
VIP
VIP
 
Сообщения: 491
Зарегистрирован: Чт янв 01, 1970 3:00 am

Re: Стойка передняя на 850

Сообщение Серега » Вт дек 04, 2012 2:20 pm

Мужики деталь н13 это опорный подшипник который вставлен в дет н4 это и есть верхняя опора, если люфта нет его лучше не менять он проходит еще 100лет меняй вкладыш ну и пыльники если их состояние хреновое просто все родное почему-то ходет намного дольше чем самый дорогой (оригинал).По Саксу много возвратов последние года два если будеш брать то договаривайся с возвратом брака.Ну и деталь номер 22 проверь стойка стабилизатора называется это больное место . Ну где- :oops: то так
Аватара пользователя
Серега
VIP
VIP
 
Сообщения: 371
Зарегистрирован: Пн ноя 21, 2011 4:12 pm
Откуда: Кировоград
Автомобиль: Volvo245
Клубная карта №: 0


Вернуться в Подвеска

Кто сейчас на конференции

Сейчас этот форум просматривают: нет зарегистрированных пользователей и гости: 0