![]() |
|
| Добро пожаловать: гость! Вход | Регистрация | Текущее время: Пн апр 20, 2026 2:23 pm | |



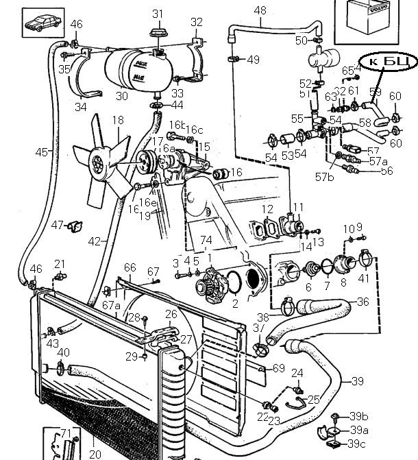
Санык340 писал(а):На сколько я помню то с головы должна быть подача , и отвод на помпу.




Санык340 писал(а):А вообще-то принципиально вход-внизу выход-сверху? Как бы холодная вода всегда снизу, может и подвод делать на верх, дилема теперь 50/50



sinyak писал(а):Санык340 писал(а):А вообще-то принципиально вход-внизу выход-сверху? Как бы холодная вода всегда снизу, может и подвод делать на верх, дилема теперь 50/50
Когда ОЖ прогрета до рабочей температуры двигла...какя там "холодная" вода?!?



leo_run писал(а):от блока в верхнюю трубку радиатора печки , в блок нижний патрубок от печки
по себе - разницы нету


Тарик писал(а):Двигатель дизельный. Один шланг идет от тройника что возле термостата а другой шланг идет с заду головки или блока двигателя (возле коробки передач). Скажите пожалуйста какой с этих шлангов должен быть верхним на радиатор печки а какой нижний.



Сейчас этот форум просматривают: нет зарегистрированных пользователей и гости: 1