![]() |
|
| Добро пожаловать: гость! Вход | Регистрация | Текущее время: Пт апр 17, 2026 2:38 am | |

4ЕКИСТ писал(а):это неисправность,должны падать обороты(где-то на 500)




ivan@m писал(а):4ЕКИСТ писал(а):это неисправность,должны падать обороты(где-то на 500)
только на 4. там стоит концевик. на остальных передачах неработает соленоид по причине разомкнутого концевика.а вообще коробка достаточно геморойная как я погляжу.
Kupon писал(а):Та же проблема((((


slava_n писал(а):соленоид клацает на коробке?
без уровня масла--включать не будет!


Stas340 писал(а):можно еще фильтр промыть, а может уже и мыть ничего не надо типа получилась М45


Stas340 писал(а):ну это и есть фильтр
тогда остается только предположение что овердрайву капэц, я точно не знаю какие там еще признаки смерти овердрайва


leo_run писал(а):скорее всего насос не докачивает попробуй ка разогнатся на 4 до 3500 об минуту если после включения не станет 3000 коробку в ремонт



leo_run писал(а):ремонтом занимается владимир феликсович у нас в кривом роге у него есть все чтоб машина уехала - главное чтб вас ценник устроил:-)




vetal_od писал(а):у меня есть такая коробка, под ремонт задней передачи( задняя не влючалась) а так все работало гут
она тебе всё равно на камрюху не станет.


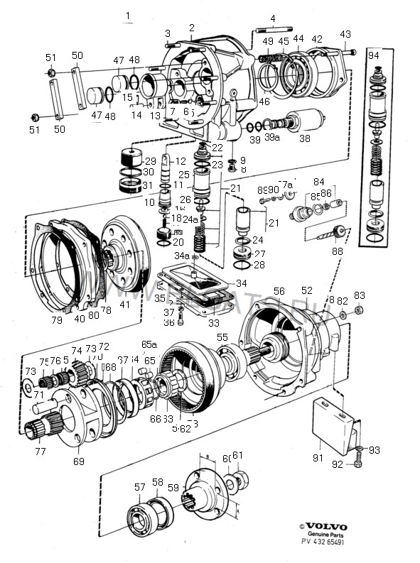
Stas340 писал(а):когда снимите поддончик там виднеются три пробкита что крайняя правая она имеет два отверстия для ключа (типа как на болгарке) туда два подходящих сверла вставляем и между ними монтировку и откручиваем, потом вес просто достается и моется

Aleks_15 писал(а):vetal_od писал(а):у меня есть такая коробка, под ремонт задней передачи( задняя не влючалась) а так все работало гут
Виталик и ты молчишона тебе всё равно на камрюху не станет.
![]()


ivan@m писал(а):и так у всех с бу коробками м 46 (((((
я еще свою не ставил вот когда поставлю и будет какашка какая нибудь то тагда будут фсе 

ivan@m писал(а):и так у всех с бу коробками м 46 (((((


Буду в субботу проверять.
leo_run писал(а):ivan@m писал(а):и так у всех с бу коробками м 46 (((((
Вань я реально не пойму че ты так... 760 м46, 740 м46, 242 м46, в кривом роге только два трактора без турбы с м 47 , все остальное 46 и из них только двое покупали коробку один по причине любили отжигать и включать выключать пятую на 100 и выше и по несколько раз на один км:-)) вторая - ну залили тад 17 тут то она и умерла
она очень живучая и с двумя болячками сальник хвостовика и сальник кулисы


Сейчас этот форум просматривают: нет зарегистрированных пользователей и гости: 1